[返回列表.]    [免费下载畅易手机版APP ]

用户 13351097 **当前提问:电路图

电路图

我想要全车电路图

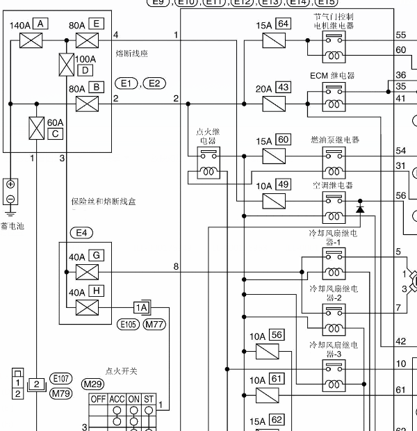
.尊敬的用户,欢迎你使用在线客服,你的专职客服电话与你取得联系,你需要发动机及车身线路图,该车没有车身线路图,客服给你处理了发动机的线路图,你的问题客服人员已为你处理完毕,请下载附件,如有疑问,欢迎和我们联系!18年日产轩逸发动机线路图.

附件:72021062045427.rar

已评价:5星好评

.尊敬的用户,欢迎您使用在线客服,您需要的资料已更新了全系统的电路图,请您直接进入畅易平台查询!查询方法:国内厂家 ->东风日产-轩逸(Sylphy)-新蓝鸟-2018[ 线路图 ].东风日产-轩逸(Sylphy)-新蓝鸟-2018[ 线路图 ]


用户 13351097 ***其他客服问题:
test:
  全车通讯,还有ABS电路图.. 标志世嘉2014-NFP[LDCC13T21E** ]
  各个电脑如何通讯以及通讯电路图.. 尼桑贵士2006-VQ35DE[5N1BV28U97** ]
  空调系统电路图.. 丰田佳美2001年-2AZ-FE[JTDBE30K10** ]
  车身电脑BCM的供电电源电路图.. 福特探险者2017-H[1FM5K8DH3J** ]
  四驱系统的电路图和前桥拨叉到车声电脑的电.. 长城哈弗长城2011年-4G69S4N[LGWFF3A59B** ]
  全车灯光电路图.. 福特猛禽F150 SVT Raptor SuerCab2011-6.2[1FTFW1R62B** ]
以下是东风日产相关车型的客服问题,希望对您有帮助
 天籁倒车灯继电器位置与线路图 还有室内保..东风日产天籁 2011 LGBF1DE04BR036725
 OBD,线路图..东风日产奇骏2.0 无级 两驱智联舒适版 2019 MR20DD(2.0) [LGBM4AE44J**]
 日产轩逸电源分配模块..东风日产轩逸 2012 1.8
 机械,拆卸与安装 ,资料?s ..东风日产玛驰(MARCH) 2010-2012
 自动变速箱拆解图..东风日产骐达 06.7 HR16 [LGBG22E086**]
 2017年7月出厂的东风日产楼兰,座椅加热系统..东风日产楼兰 2017年07月 QR25 [LGBR4DE40H**]
 (hr16)发动机电脑针脚图..日产轩逸 2016 1.6
 尼桑轩逸正时图..尼桑轩逸 11年 HR16
 05年天籁的动力ST压力传感器在哪个位置啊?..东风日产230JM 05年 VQ23079123 [LGBF1CE0X5**]
 09年东风日产骐达空调电路图..东风日产骐达 2009 hr16
 节气门电路图 节气门继电器..日产轩逸 2007 HR16DE [LGBH12E0X8**]
 风挡出水电机整套电路图有全车的也行..东风日产轩逸 08 不知道

Copyright @ 2009 www.car388.com All rights reserved. 蜀ICP备12014226号-2 增值电信增值业务许可证:川B2-20190647 服务电话:028-87038205 87039205 87020205 川公网安备 51010502010015号 公司地址:成都市龙泉驿区经开区南二路309号 鼎峰动力港 企业办公总部基地 12栋
2025-01-15.-.V25VHTML-2025-V18-11-5---2-