[返回列表.]    [免费下载畅易手机版APP ]

用户 17686616 **当前提问:方向盘警告喇叭线路

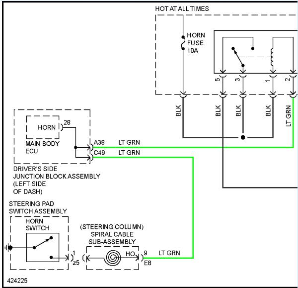
方向盘警告喇叭线路

.尊敬的用户,欢迎你使用在线客服,你的问题客服人员已为你处理完毕,请下载附件,如有疑问,欢迎和我们联系!.2014年丰田花冠喇叭电路图

附件:95631582656193.zip


用户 17686616 ***其他客服问题:
  方向机电磁阀电路图.. 奥迪A4L2010- CAL [LFV6A28K69** ]
  玻璃升降线路.. 莲花L32010-1[LKGA4EG34A** ]
  这个蒙迪欧致胜燃油泵电路图没有呀,.. 福特蒙迪欧2011- CAF488WQ0 [LVSHBFDC0C** ]
  发动机控制线路,平台上的不清晰请给下文件.. 标志2072010-1[LDC611P219** ]
  发动机电脑供电,打铁电路图有么.. 道奇酷威2011- D [3D4PG6FD2A** ]
  方向盘控制电路图,音量加减,等上面电路图.. 玛萨拉蒂GranCabrio2010-4.7[ZAMKM45E8A** ]
以下是F丰田相关车型的客服问题,希望对您有帮助
 考爾控制線路圖..豐田花冠 2000 1800cc [1NXBR12EXW**]
 04年丰田花冠防盗电路图..丰田花冠 04年 1ZZ [LTVBR22E84**]
 防盗线圈7根线,防盗盒与发动机电脑是一体..丰田花冠 2004 1 [1**]
 针脚图花冠13年ex发动机6插头的针脚图..丰田花冠ex 13年 1ZR [LFMAP22CXC**]
 花冠风扇控制电路..天津一汽丰田花冠 11.01 1ZR [LFMAP22C6B**]
 丰田花冠11年发动机和钥匙防盗盒电路图..丰田花冠 11年 1 [1**]
 10年花冠保险盒电路图..一汽丰田花冠 10 1ZR [LFMAP22C0A**]
 仪表接线图..丰田花冠 12年 11 [11**]
 麻烦提供此车的DLC电路及针脚说明,平台和实..丰田花冠 2010 1ZR [LFMAP22C1A**]
 找一份丰田花冠2014款全车电路图 1.6l最好能打..丰田花冠 2014年 花冠
 雨刮维修手册,雨刮系统线路图..一汽丰田花冠 2007 1ZR [LFMAP22C27**]
 燃油喷射保险电路图..丰田花冠 16 1ZR [LFMAP22C6G**]

Copyright @ 2009 www.car388.com All rights reserved. 蜀ICP备12014226号-2 增值电信增值业务许可证:川B2-20190647 服务电话:028-87038205 87039205 87020205 川公网安备 51010502010015号 公司地址:成都市龙泉驿区经开区南二路309号 鼎峰动力港 企业办公总部基地 12栋
2025-05-24.-.V28**VHTML-2025-V18-11-5---2-