[返回列表.]    [免费下载畅易手机版APP ]

用户 pangyu **当前提问:灯光电路图

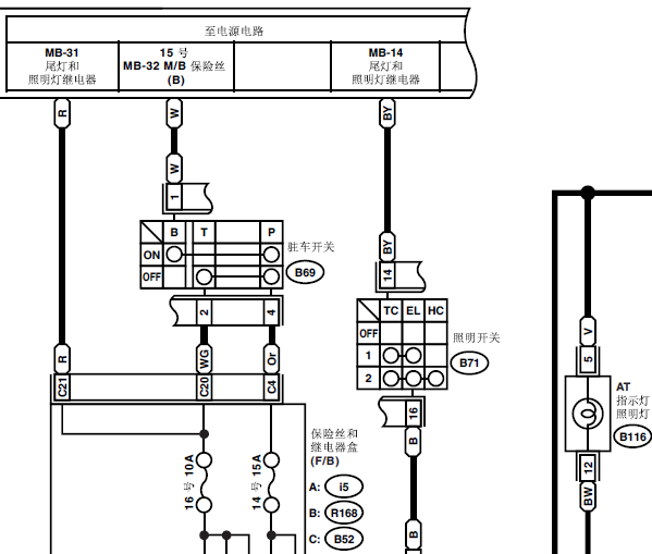
灯光电路图

.尊敬的用户,欢迎你使用在线客服,你的问题客服人员已为你处理完毕,请下载附件,如有疑问,欢迎和我们联系!07年斯巴鲁驰鹏灯光电路图.

附件:4156539649441.rar


用户 pangyu ***其他客服问题:
test:
  空调系统维修手册.. 国内 上海雪佛兰创酷(Trax)2019-LFF[.** ]
  ABS系统电路图.. 国内 华晨汽车鑫源T22S2019/2020-.[.** ]
  智能钥匙控制系统电路图01SS.. 一汽丰田 RAV4荣放2015-2.0L 6ZR-FE[LFMJ44AF2F** ]
  前大灯线路图01SS.. 长安之星长安之星2009-.[.** ]
  全车电路图ss.. 上海斯柯达明锐(OCTAVIA)2021/2022-.[.** ]
  座椅维修手册.. 国内 重庆力帆330EV2015/2016/2017-.[.** ]
以下是斯巴鲁相关车型的客服问题,希望对您有帮助
 油门踏板电路图。节气门电路图..斯巴鲁森林人 2011年10月 EJ25 [JF1BR96DXC**]
 空调日光传感器拆装..斯巴鲁XV 2013 FB20 [JF1GP26D1D**]
 音响方向盘线路图..斯巴鲁森林人 12 FB25 [JF1SJ93D0D**]
 发动机电脑针脚图..斯巴鲁森林人 2011 FB25 2.5L
 07年斯巴鲁驰鹏3.0排量发动机电脑电路图和针..斯巴鲁驰鹏 2007.7 EZ30 [4S4WX06N07**]
 帮我查这台车的气囊模块的供电搭铁电路图..斯巴鲁森林人 2016.4 FB20 [JF1SJ53D6G**]
 ABS针脚定义..斯巴鲁力狮 2011年10月 EJ25 [JF1BM95E0C**]
 发动机电脑电路图和插针图..斯巴鲁SJ5CCAT 2016/07 FB20 [JF1SJ53DGG**]
 16年森林人气囊电脑电路图..斯巴鲁森林人 16年12月 FB20 [JF1SJ53D5H**]
 2013或2014款斯巴鲁XV车发动机起动系统电路,FB..斯巴鲁XV 2013 FB20
 电子节气门电路图..斯巴鲁, 06 , [JF1GDGKD36**]
 斯巴鲁刹车灯开关电路图..斯巴鲁斯巴鲁 2014 FB25 [JF1BS22A8F**]

Copyright @ 2009 www.car388.com All rights reserved. 蜀ICP备12014226号-2 增值电信增值业务许可证:川B2-20190647 服务电话:028-87038205 87039205 87020205 川公网安备 51010502010015号 公司地址:成都市龙泉驿区经开区南二路309号 鼎峰动力港 企业办公总部基地 12栋
2025-01-18.-.V25VHTML-2025-V18-11-5---2-