[返回列表.]    [免费下载畅易手机版APP ]

用户 WZGL汽 **当前提问:发动机电路图

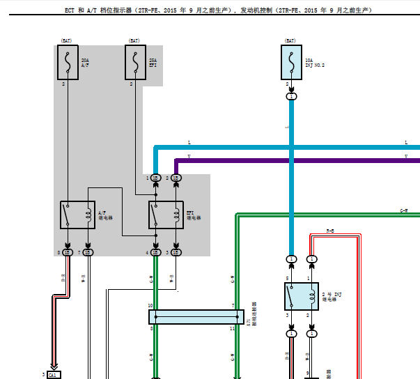
发动机电路图

.尊敬的用户,欢迎你使用在线客服,你的问题客服人员已为你处理完毕,请下载附件,如有疑问,欢迎和我们联系!2012年丰田普拉多发动机电路图.

附件:3912877214282.rar

.尊敬的用户,欢迎您使用在线客服,您需要的资料已更新了全系统的电路图,请您直接进入畅易平台查询!查询方法:国内厂家 ->一汽丰田-普拉多(PRADO) -2012[ 线路图 ] .一汽丰田-普拉多(PRADO) -2012[ 线路图 ]


用户 WZGL汽 ***其他客服问题:
test:
  2020年本田思域车身电脑线路图.. 本田思域2020年1月-P10A1[LVHFC7637L** ]
  雪铁龙C5天逸,方向锁电路图.. 东风雪铁龙C5天逸2017-10UF51 6G01[LDCC61541H** ]
  进口雷克萨斯胎压系统报故障;前启动器电路.. 丰田汽车九州公司宫田工厂雷克萨斯ES2502013 -10-2AR[JTHBJ1GG5D** ]
  2017年阿尔法罗密欧斯坦维2.0全车系统电路图.. 阿尔法罗密欧斯坦维2017-2.0
  发动机的气门室盖的螺栓安装顺序与扭矩.. 别克凯越1.62008-1.6[LSGJA52U1C** ]
  索兰托空调电路图.. 起亚索兰托2013-d4hb[knaku8146d** ]
以下是丰田相关车型的客服问题,希望对您有帮助
 15年ABS SVC 电路图..丰田锐志2.5 15年 5GR [LFMBEC4D6F**]
 JTEBL29J975075022 这个丰田车的启动电路图,谢..丰田普拉多 07 2TR [JTEBL29J97**]
 B000113 B000213 U111087 U117087 U029300 B232187 ..丰田赛那SIENNA 2023 2.5L [LVGDD4A48P**]
 防盗电路图..丰田酷路泽中东版 2005 2uz [JTEHT05J36**]
 ABS和电子方向和机预碰撞系统电路图及资料..丰田皇冠 16年 8AR [LFMB0ABB3G**]
 电路图维修 针脚定义..丰田花冠花冠ex 2013 1zr [lfmap22c5d**]
 19年丰田酷陆泽发动机电脑端子定义..丰田FJ CRUISER 4.0L 2019 1GR [JTEBU11F9L**]
 水温传感器,电路图以及位置。..丰田汽车Land Cruiser [兰德酷路泽]4.0 手自一体 4000 中东版 2007 1GR-FE(4.0) [JTMHU09J49**]
 刮水器保险丝线路图..丰田汽车Land Cruiser Prado [普拉多]2.7 自动 中东版 2009 2TR-FE(2.7) [JTEBX3FJ7A**]
 17年酷路泽 GR1和R41元件位置 03SS..丰田酷路泽 2017 0 [0**]
 2015款8月混动ABS电路图..丰田凯美瑞 2015 4AR [LVGBD54K0F**]
 10年丰田卡罗拉 电动后视镜电路图 ..丰田卡罗拉 10年 1ZR

Copyright @ 2009 www.car388.com All rights reserved. 蜀ICP备12014226号-2 增值电信增值业务许可证:川B2-20190647 服务电话:028-87038205 87039205 87020205 川公网安备 51010502010015号 公司地址:成都市龙泉驿区经开区南二路309号 鼎峰动力港 企业办公总部基地 12栋
2025-01-16.-.V25VHTML-2025-