[返回列表.]    [免费下载畅易手机版APP ]

用户 马立 **当前提问:16年奔驰S320左侧前门车门碰撞传感器

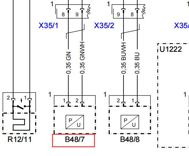
16年奔驰S320左侧前门车门碰撞传感器电路图 底盘号:222162

能不能快一点

.尊敬的用户,欢迎你使用在线客服,你的问题客服人员已为你处理完毕,请下载附件,如有疑问,欢迎和我们联系!2016年奔驰S320L 左前门碰撞传感器电路图.

附件:93482127109927.zip


用户 马立 ***其他客服问题:
test:
  14年丰田坦途网关在哪个位置还有电路图.. 丰田20142014-1111
  2008款天籁V6发动机大小瓦 气缸盖螺丝拧紧力.. 日产天籁2008-VQ35E
  雷诺风朗发动机正时.. 雷诺风朗2015年-M4RK751[1111** ]
  14年E260钥匙感应天线位置图.. 奔驰E2602014-M274[LE4HG3GB9E** ]
以下是奔驰s320L相关车型的客服问题,希望对您有帮助
 奔驰S400发动机维修手册..奔驰S320L 2015/02 276 824 [WDDUG6CB5F**]
 16年梅赛德斯奔驰S320L的倒车雷达线路图..梅赛德斯S320L 2016 3.0
 全车保险定义说明..奔驰S320L 15 1 [WDDUG6CB1G**]
 奔驰S320L空调系统资料..奔驰S320L 2016 276 [WDDUG6CB2G**]
 奔驰S320倒车雷达和倒车影像电路图和模块位..奔驰S320L 2015 3.0 [WDDUG6CB0F**]
 全车电路图..奔驰S320L 2018.9 gvw [Wddug5Ab2K**]
 麻烦提供一下奔驰S320L正时拆装更换电子版本..奔驰S320L 2014 276 284 [WDDUG6CB2F**]
 安全气囊前排乘客引爆装置存在功能故障,存..奔驰S320L 2014 276824 [WDDUG6CB3F**]
 保险丝图解..奔驰S320L 2015 W222 [WDDUG6CB5G**]
 帮忙查一下这个车的辅助电池数据和位置图..奔驰S320L 2014 276 824 [WDDUG6CB6F**]
 帮我找一下 15款奔驰S320前雷达线路连接图..奔驰S320L 2015 3.0 [WDDUG6CB8F**]
 发动机电脑线路图(W222)..奔驰S320L 2014 3.0

Copyright @ 2009 www.car388.com All rights reserved. 蜀ICP备12014226号-2 增值电信增值业务许可证:川B2-20190647 服务电话:028-87038205 87039205 87020205 川公网安备 51010502010015号 公司地址:成都市龙泉驿区经开区南二路309号 鼎峰动力港 企业办公总部基地 12栋
2025-01-13.-.V25VHTML-2025-