[返回列表.]    [免费下载畅易手机版APP ]

用户 byqcdq **当前提问:长安之星OBD电路图还有发动机电脑电

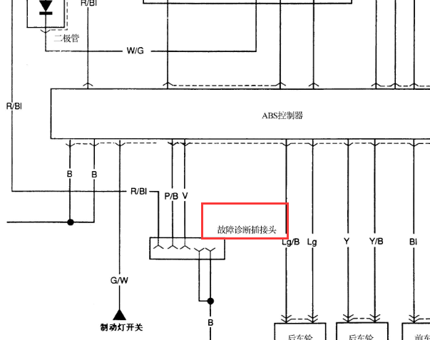
长安之星OBD电路图还有发动机电脑电力图

.尊敬的用户,欢迎你使用在线客服,抱歉资料库里没有JL466Q9发动机的资料,长安之星电路图资料里诊断接口资料很少,只有一点点相关资料,客服为您处理了全车的电路图资料,如需要请下载附件参考,给您带来不便,请谅解!长安之星电路图.

附件:4619971048754.rar

已评价:5星好评

是jl465qh发动机 13年车

帮忙找一下,发动机电脑的线路图

.尊敬的用户,欢迎你使用在线客服,你的问题客服人员已为你处理完毕,请下载附件,如有疑问,欢迎和我们联系!.

附件:7241563548383.rar


用户 byqcdq ***其他客服问题:
test:
  电脑版针脚图.. 福田时代驭菱VQ12014-LJ465Q_2AE[LAVA2AVB7E** ]
  铃木利亚纳电脑版针脚图.. 昌河铃木利亚纳2006-M16A[LVFAC5AD86** ]
  上海大众朗逸 保险丝C架上图解.. 上海大众朗逸2012-CPJ[LSVAM2181C** ]
  长城风俊5柴油版电脑阵脚图EDC17C63.. 长城风俊52016-GW2.8TC2[LGWCBC190G** ]
  2009年荣威550 空调面板针脚图.. 上海荣威5502009-18K4C[LSJW26H379** ]
  北汽威旺M20全车电路图.. 北汽威旺M202015-BJ415B[LNBMDLAA0F** ]
以下是长安相关车型的客服问题,希望对您有帮助
 车身电脑中控和雨刮..长安雨燕 2009年 1.5
 仪表的电路图,PEPS智能盒的,一键启动,保..长安科赛 2021 476ZQ [LS4ASE2E0M**]
 倒车雷达 控制模块的电路图 有吗????..长安福特蒙迪欧 致胜 11
 有发动机不带分电器的电脑端子图吗..长安铃木羚羊 2009 新款羚羊
 长安欧尚全车电路图..长安欧尚 2018 1.5
 长安志翔最高时速只能跑80才7万公里..长安长安志翔 2010年 JL475Q3 [LS5A2ABE0A**]
 福特翼虎1.5T发动机四驱版的水箱框架这块的..长安福特翼虎 2016 1.5T
 12年仪表电路图..长安4500 12 4G15
 长安欧诺里程表到传感器线路图..长安欧诺 2015,11,25 4G15V [LS4ASB3E6F**]
 引擎盖开关电路图 已经位置图..长安福特嘉年华 2013 CAF479Q0.CT [LVRHFADL8D**]
 长安欧诺大灯近光线路图..长安欧诺 2013 4G15V [LS4ASH2E4D**]
 组合仪表电路图..长安福特探险者(Explorer) 2018/2019 T [.**]

Copyright @ 2009 www.car388.com All rights reserved. 蜀ICP备12014226号-2 增值电信增值业务许可证:川B2-20190647 服务电话:028-87038205 87039205 87020205 川公网安备 51010502010015号 公司地址:成都市龙泉驿区经开区南二路309号 鼎峰动力港 企业办公总部基地 12栋
2025-01-16.-.V25VHTML-2025-V18-11-5---2-