[返回列表.]    [免费下载畅易手机版APP ]

用户 gaolizhu **当前提问:雪铁龙音响线路图

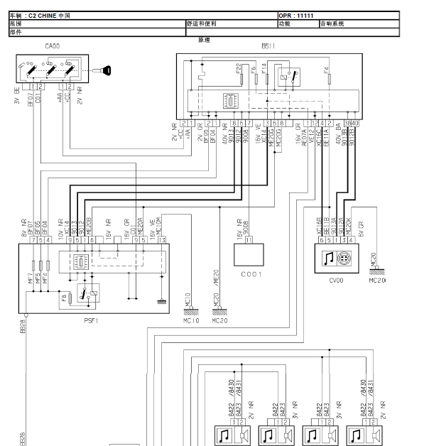
雪铁龙音响线路图

.尊敬的用户,欢迎你使用在线客服,你的问题客服人员已为你处理完毕,请下载附件,如有疑问,欢迎和我们联系!08年雪铁龙C2音响系统线路图.

附件:44101015232723.rar

.尊敬的用户,欢迎您使用在线客服,您需要的资料已更新了全系统的电路图,请您直接进入畅易平台查询!查询方法:国内厂家 ->东风雪铁龙-C2-2007-2009[ 线路图 ] .东风雪铁龙-C2-2007-2009[ 线路图 ]


用户 gaolizhu ***其他客服问题:
test:
  座椅加热模块在什么位置.. 别克林荫大道2007-LY7[LSGEZ537X7** ]
  水温传感器位置图.. 奥迪A52012-CDN
  燃油泵模块控制电路图(并非燃油泵电路图).. 奔驰R300L2011-272 945[WDCCB5EE2B** ]
  车身电脑位置和OBD线路图.. 凯迪拉克SLS07-LP1
  电池包组电路图.. 长安欧尚A6002019-SC6458AHBEV[LS6C3E0C8K** ]
  发动机舱保险丝盒线路图.. 奔腾B5018-4-20-CA4GB14TD[LFP83ACE6J** ]
以下是东风雪铁龙相关车型的客服问题,希望对您有帮助
 奔驰W205 19年C260 油泵模块电路图..奔驰C260 19 274
 麻烦找一下这个车,引擎修引擎过热和更换冷..奔驰C200 2010 271860 [WDD2040486**]
 奔驰C200电子点火开关匹配方法?..奔驰C200 09 无 [无**]
 14年的雪铁龙C4 启动无反应 仪表能正常通电 ..东风雪铁龙C4 2014 4月 10FBJZ.PSA5F06 [LDCC23147E**]
 要座椅加热控制电路图与配电图 如果可以的..北京奔驰C200 2011 CGI [LE4GF4JB1B**]
 保险,空调系统..北京奔驰C260L 2024 254915 [LE4AG4CB3P**]
 09年C5自动变速箱的线路图?x..东风雪铁龙C5 2009 111
 11年爱丽舍发动机针脚定义图..东风雪铁龙爱丽舍 11 5021362 [LDC703M26B**]
 2017年的雪铁龙c6防盗模块在那个位置和电路图..东风雪铁龙c6 2017 10uf51 6g01 [LDCA23549G**]
 东风雪铁龙 凯旋的仪表板具体拆卸方法..东风雪铁龙凯旋 2008 不知道 [LDCC43X368**]
 喷油嘴线路图..东风雪铁龙凯旋 2008.04.17 PSARFN10LH3X [LDCC43X258**]
 N10/1保险丝定义图..奔驰C200CGI 2010 1

Copyright @ 2009 www.car388.com All rights reserved. 蜀ICP备12014226号-2 增值电信增值业务许可证:川B2-20190647 服务电话:028-87038205 87039205 87020205 川公网安备 51010502010015号 公司地址:成都市龙泉驿区经开区南二路309号 鼎峰动力港 企业办公总部基地 12栋
2025-01-16.-.V25VHTML-2025-V18-11-5---2-