[返回列表.]    [免费下载畅易手机版APP ]

用户 tengda88 **当前提问:空调线路图

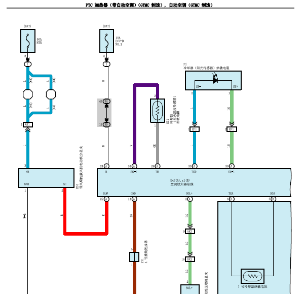
空调线路图

.尊敬的用户,欢迎你使用在线客服,你的问题客服人员已为你处理完毕,请下载附件,如有疑问,欢迎和我们联系!2015年丰田卡罗拉空调电路图.

附件:2867880682258.rar

你好怎么才能看清楚 线路图可以放大吗

.尊敬的用户,欢迎你使用在线客服,您先将资料下载下来,资料是PDF格式的,是可以放大查看的。你的问题客服人员已为你处理完毕,如有疑问,欢迎和我们联系!.

.尊敬的用户,欢迎你使用在线客服,你需要的资料在《畅易汽车维修技术支持平台》是有的,请直接登陆查询!查询方法:国内厂家 -> 一汽丰田-卡罗拉(COROLLA) -2015-2016[ 线路图 ] -> 系统电路图 -> 自动空调(GTMC制造).2015-2016年一汽丰田-卡罗拉 空调压缩机电路图


用户 tengda88 ***其他客服问题:
test:
  空调面板的插头定义.. 路虎揽胜运动版2010-368DT[SALSN2246A** ]
  碰撞传感器装在哪里.. 一汽奥迪2003-C5[LFVBA2B533** ]
  A4LB8 13年发动机线路图.. 一汽大众奥迪A4L2013-BBJ
  进口雷诺2.0发动机线路图.. 雷诺风景2002-F4R746[VF1JA13022** ]
  诊断插头全图.. 一汽丰田锐志2010-5GR[LFMBE22D5A** ]
  中控锁电路图.. 一汽奥迪奥迪2003-C5[LFVBA24B53** ]
以下是丰田相关车型的客服问题,希望对您有帮助
 油泵继电器的位置图..丰田普拉多 2013 2TR [JTEBX3FJ3D**]
 丰田塞纳室内灯..丰田塞纳 11 1AR
 ABS泵插头针脚,仪表插头针脚,没有给下线路..丰田红杉 2003 1 [5TDBT44A82**]
 2014年丰田酷路泽无钥匙进入系统详解(中文..丰田酷路泽 2014 3UR
 丰田普拉多 ABS电脑报 C1203 ECM发动机控制..丰田普拉多 2012年11月 2TR [JTEBX9FJ1D**]
 06款霸道 4.0 GRJ120 发动机维修手册..丰田普拉多 霸道4.0 06款 1GR [LFMGJ27259**]
 这款车型怎么没有电路图呀 我需要电动门的..丰田大霸王 03 2AZB057205 [JTEGD34W90**]
 发动机电脑端子图及电路图..丰田锐志 2013 5GR [LFMBEC4D8D**]
 16年坦途倒车雷达模块安装位置..丰田坦途 15 zza
 后半轴轴承拆装资料..丰田陆地巡洋舰LC200 20017 1GR [JTMHU01J6H**]
 防盗盒电路图,防盗盒是14针的..丰田花冠 2010 1ZR-FE [LFMAP22C4A**]
 凯美瑞2.0发动机发动机故障灯亮,显示系统过..丰田凯美瑞 09 1AZ [000**]

Copyright @ 2009 www.car388.com All rights reserved. 蜀ICP备12014226号-2 增值电信增值业务许可证:川B2-20190647 服务电话:028-87038205 87039205 87020205 川公网安备 51010502010015号 公司地址:成都市龙泉驿区经开区南二路309号 鼎峰动力港 企业办公总部基地 12栋
2025-01-15.-.V25VHTML-2025-