[返回列表.]    [免费下载畅易手机版APP ]

用户 15901631 **当前提问:日产劲客 全车电路图

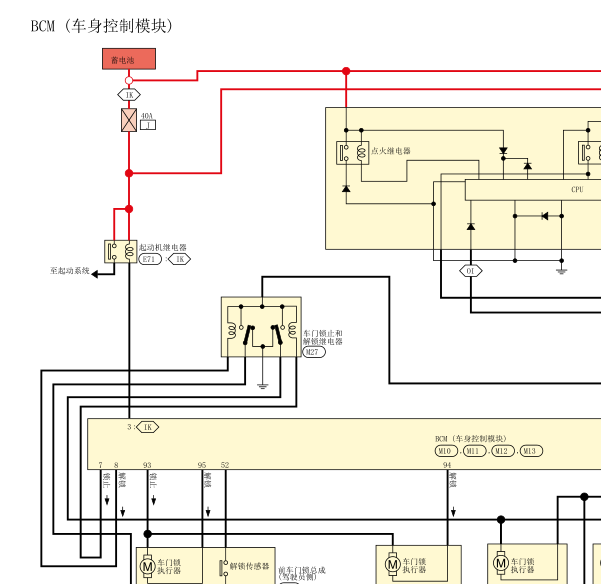
日产劲客 全车电路图

.尊敬的用户,欢迎你使用在线客服,非常抱歉,资料库没有19年劲客的资料,有2017-2018年的资料,你的专职客服已经电话与你取得联系,你需要车身和发动机线路图,你的问题客服人员已为你处理完毕,请下载附件,如有疑问,欢迎和我们联系!18年日产劲客车身控制线路图.

附件:81621099705624.rar


用户 15901631 ***其他客服问题:
test:
  17年宝马X4油箱油位电路图.. 宝马X417-2.0
  荣威ei6点烟器电路图.. 荣威EI619-1.5
  大众朗逸双闪开关电路图.. 上海大众朗逸18年-1.6
  点火开关电路图.. 东风日产天籁19-2.0
  19年现代ix35OBD电路图.. 北京现代ix352019-2.0
  发动机大修螺栓扭矩.. 上海大众帕萨特2018-1.8
以下是东风日产相关车型的客服问题,希望对您有帮助
 07款尼桑轩逸空调电路图..东风日产轩逸 2007 HR16 [LGBH12E037**]
 找一下副驾驶外拉手插头的针脚定义以及连接..东风日产天籁 2020 MR20DD [LGBF7AE0XL**]
 08款骊威诊断系统电路图,能详细尽量详细..东风日产骊威 2008 1.6L HR16DE [LGBK22E798**]
 维修手车..东风日产帅客 10年 1.6雪铁龙机器
 起动机继电器位置..东风日产逍客 2016 MR20 [LGBL4AE01G**]
 08年的仪表针脚电路图40针 东风日产逍客..东风日产逍客 2008 2.0L
 气囊电脑版针脚图和OBD通讯电路图..东风日产轩逸 2020 HR16DE [LGBH92E07L**]
 08轩逸电路图 喷油嘴电路图..东风日产轩逸 08 hr16
 2014年东风启辰辰风E30维修资料..东风日产启辰E30 2014 电机 [LGB12YEAXE**]
 要天兰后备箱锁按钮及BCM相关电路图..东风日产天兰 2011 2.0 [LGBF1AE04B**]
 请帮我找一下该车全车电路和维修手册..东风日产轩逸 2019 HR16 [LGBH52E05K**]
 尼桑奇骏档位开关电路图..东风日产奇骏 12年 2.5L

Copyright @ 2009 www.car388.com All rights reserved. 蜀ICP备12014226号-2 增值电信增值业务许可证:川B2-20190647 服务电话:028-87038205 87039205 87020205 川公网安备 51010502010015号 公司地址:成都市龙泉驿区经开区南二路309号 鼎峰动力港 企业办公总部基地 12栋
2025-01-15.-.V25VHTML-2025-V18-11-5---2-