[返回列表.]    [免费下载畅易手机版APP ]

用户 hero **当前提问:这车的电喷电路图和ECU针脚图

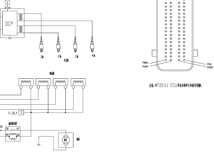
这车的电喷电路图和ECU针脚图

.尊敬的用户您好,很抱歉资料库里金杯资料较少,客服查到该车发动机使用MT22.1.1电控系统,已为你处理了其他车型MT22.1.1电路资料,请下载附件 参考,如有疑问,欢迎和我们联系!.MT22.1.1电控电路

附件:7113443984922.rar


用户 hero ***其他客服问题:
test:
  半轴油封拆装.. 福特探险者2015-3.5
  发动机电子节温器电路图.. 标致30082011-1.6
  车涡轮增压电磁阀到涡轮增压器的电路图.. 东风裕隆大72012-G22TE[LUXG91S07C** ]
  大灯保险丝位置图.. 进口宝马X52008-3.0[5UXFA13596** ]
  保险丝位置图及图解.. 本田雅阁2010-2.4
  变速箱油加注口在哪里?.. 江淮瑞风Ⅱ和畅(M5)2012-HFC4GA3-1C/130(KW)[LJ16AA347C** ]
以下是沈阳华晨金杯相关车型的客服问题,希望对您有帮助
 BCM的针脚定义,三叉的,15=23=24..沈阳华晨金杯中华 09年02月 4G93 [LSYYBADCX9**]
 之前发那个不对,找一份金杯继电器位置图,..沈阳华晨金杯汽车有限公司SY5033XJH-XSH 2010年9月 XC4619 [LSYKDAAA3A**]
 金杯海狮保险盒电路图..沈阳华晨金杯海狮 13 03 4G20B [LSYBAAA3DK**]
 空调线路图..沈阳华晨金杯SY6521D4S1BG2 2017年8月 V19 [LSYADAAA7H**]
 金杯格瑞斯2TR发动机电脑端子图..沈阳华晨金杯汽车有限公司SY6481G2ZBG 2009 2TR [LSYAABCG49**]
 我想找一份金杯空调电路图 和继电器位置资..沈阳华晨金杯汽车有限公司SY5033XJH-XSH 2010年9月 XC4619 [LSYKDAAA3A**]
 发动机电脑板线路图!室内保险盒线路图!关..沈阳华晨金杯汽车有限公司金杯海狮 2014.12 4G20B [LSYBCAAA3E**]
 华晨金杯海狮电路图..沈阳华晨金杯汽车有限公司金杯海狮 2012年1月 V19 [LSYBCAAA4C**]
 中华尊驰玻璃升降电路图..沈阳华晨金杯中华尊驰 07年 4063s4m [LSYYBBDC67**]
 查正时匹配图..沈阳华晨金杯金杯新海师 2018 DLCG14 [LSYAFAAA2J**]
 发动机散热器风扇电路图..沈阳华晨金杯汽车有限公司华颂牌 SY6503S2Z1BG 2015.07 N20B20C [LSYAA BDU1**]
 整车电路图..沈阳华晨金杯华颂 2018年5月 N20B20C [LSYAABCS3J**]

Copyright @ 2009 www.car388.com All rights reserved. 蜀ICP备12014226号-2 增值电信增值业务许可证:川B2-20190647 服务电话:028-87038205 87039205 87020205 川公网安备 51010502010015号 公司地址:成都市龙泉驿区经开区南二路309号 鼎峰动力港 企业办公总部基地 12栋
2025-01-15.-.V25VHTML-2025-