[返回列表.]    [免费下载畅易手机版APP ]

用户 900as **当前提问:麻烦请帮忙找一下丰田RAV4荣放20款的

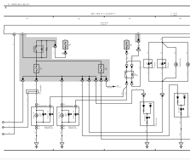
麻烦请帮忙找一下丰田RAV4荣放20款的系统电路目录的车辆内饰路径内的照明、尾灯路径的电路图(注意不是车内照明灯)还有系统电路目录下发动机、动力系统路径内的车道控制系统和动态雷达巡航控制,谢谢

.尊敬的用户,欢迎你使用在线客服,抱歉由于疫情原因客服在家值班,手上资料有限,暂时处理了17年丰田RAV4资料参考,请下载附件查看,给您带来不便,请谅解!2017年丰田RAV4尾灯电路图.

附件:87751133379952.zip

.尊敬的用户,欢迎您使用在线客服,您需要的资料已更新了全系统的电路图,请您直接进入畅易平台查询!查询方法:国内厂家 ->一汽丰田-RAV4-2020[ 线路图 ].一汽丰田-RAV4-2020[ 线路图 ]


用户 900as ***其他客服问题:
test:
以下是丰田相关车型的客服问题,希望对您有帮助
 D/C CUT保险丝分别都给什么供电,求电路图..丰田皇冠 2007 3gr [LFMBD84B27**]
 中文版风扇电路图..丰田锐志 2007 5GR-FE [LFMBE22D97**]
 找BRK RElay 继电器位置 ..丰田锐志丰田锐志 05 V6 [没有**]
 前氧传感器电路图..丰田汽车公司 GX460 2011年12月 IURFE [JTJJM7FX3B**]
 保险盒端子图和档位开关线路图..丰田亚洲龙 2019年5月 A25B [LFMA854KXK**]
 启停电路图..丰田凯美瑞 2019 .4 A25A [LVGBR74KXK**]
 14凯美瑞门锁控制线路图..丰田凯美瑞 14 1AZ
 智能盒插头针脚定义..丰田RAV4 2016 6ZR-FAE [LFMK440F9G**]
 2015款8月混动ABS电路图..丰田凯美瑞 2015 4AR [LVGBD54K0F**]
 卡罗拉 高配 方向锁电路图..丰田卡罗拉 .. .. [LFMAY86C3K**]
 防盗电脑电路图..丰田卡罗拉 2013 1 [LFMAPE2C0D**]
 丰田霸道,3400,5VZ发动机大修资料参数..丰田霸道3400 1997 5VZ

Copyright @ 2009 www.car388.com All rights reserved. 蜀ICP备12014226号-2 增值电信增值业务许可证:川B2-20190647 服务电话:028-87038205 87039205 87020205 川公网安备 51010502010015号 公司地址:成都市龙泉驿区经开区南二路309号 鼎峰动力港 企业办公总部基地 12栋
2025-01-15.-.V25VHTML-2025-V18-11-5---2-