[返回列表.]    [免费下载畅易手机版APP ]

用户 13309200 **当前提问:发动机电路图

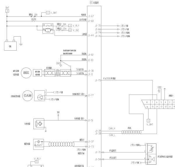
发动机电路图

.尊敬的用户,欢迎使用在线客服,抱歉该车没有DK12发动机资料,客服了解到KD12使用的是MT22电脑版,所以给您处理了MT22发动机电路图,请下载附件参考,给您带来不便,请谅解!MT22发动机电路图.

附件:4158692025550.rar

这个是博士64针电脑

.尊敬的用户,欢迎你使用在线客服,你的问题客服人员已为你处理完毕,请下载附件,如有疑问,欢迎和我们联系!.博士64针电脑线路图

附件:258964939826.rar


用户 13309200 ***其他客服问题:
test:
  电路图.. 长安商用 跨越王长安商用2017-DK12-10[LSCABN3R1H** ]
  发动机电脑针脚定义.. 长安长安商用 跨越王2017-DK12-10[LSCABN3R1H** ]
以下是长安相关车型的客服问题,希望对您有帮助
 曲轴位置电路图..长安汽车跨越王1.8T 手动 中轴 2013 4A1-62C43(1.8) [LSCAB33G6E**]
 发动机氧传感器电路图(系统里面不对)..长安福特蒙迪欧 2015.12月 1.5T [LVSHFFAL6F**]
 17年长安欧尚A800全车电路图..长安汽车欧尚A800 2017 JL478QEA
 发动机电脑针脚图..长安福特致胜2.3 2014.7 L3 [LVSHBFAF1E**]
 EGR阀电路图..长安福特蒙迪欧 2011年6月 GTDIQ1 2.0 [LVSHBFDC3B**]
 电机控制器电路图..长安汽车奔奔MINI-E标准型 2017 JXMI15A4(电动机)(电动) [LS5A3BJC2J**]
 13年长安CX20发动机电脑图..长安CX20 13 4缸 [LS5A3ABR9D**]
 找气囊电路图..长安欧尚A800 2018年10月 JL478QEA [LS4ASE2E6J**]
 自动档变速箱电脑在那..长安长安逸动XT 2017 JL478QEA [LS5A3DGEXH**]
 10年长安奔奔中控锁电路图..长安奔奔 2010 JL474QK [LS5A3BBR2B**]
 长安cs55曲轴箱通风管在哪里..长安cs55 2019 1.5T
 转向助力 电路图01SS..长安雨燕 05 . [.**]

Copyright @ 2009 www.car388.com All rights reserved. 蜀ICP备12014226号-2 增值电信增值业务许可证:川B2-20190647 服务电话:028-87038205 87039205 87020205 川公网安备 51010502010015号 公司地址:成都市龙泉驿区经开区南二路309号 鼎峰动力港 企业办公总部基地 12栋
2025-01-15.-.V25VHTML-2025-V18-11-5---2-