[返回列表.]    [免费下载畅易手机版APP ]

用户 小康 **当前提问:凯迪拉克SRX产地墨西哥动力CAN通讯网

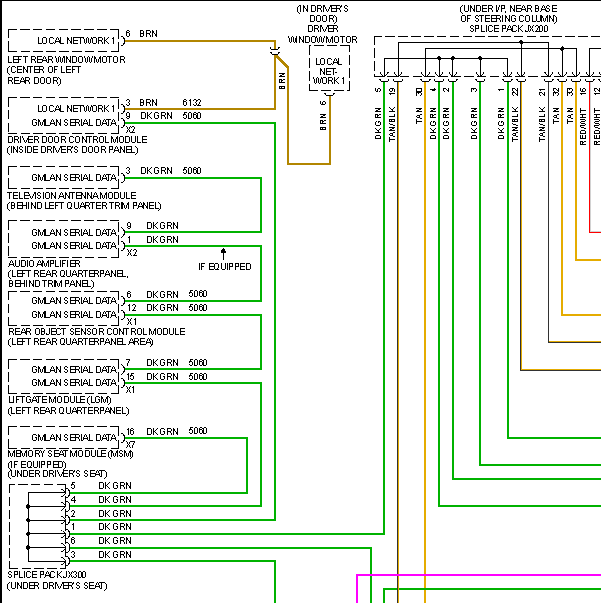
凯迪拉克SRX产地墨西哥动力CAN通讯网络拓扑图,刚才发的插头不一致

.尊敬的用户,欢迎你使用在线客服,你的问题客服人员已为你处理完毕,请下载附件,如有疑问,欢迎和我们联系!2009年凯迪拉克SRX CAN线电路图.

附件:15071137001609.rar


用户 小康 ***其他客服问题:
test:
  故障码P16O4的维修手册注释.. 丰田威驰2016-11-5NR[LFMA8E6A** ]
  请找一下后摄像倒车电路.. 美国通用汽车有限责任公司凯迪拉克cTS2012/0千-LFW[1G6D95E58C** ]
  09桑塔纳ABS针脚图.. 上海桑塔纳SVW7180LED2009-BSA[LSV1033692** ]
  电脑板针脚定义.. 长安欧诺2014-JL474QAD[LS4ASB3R4E** ]
  克莱斯勒 道奇酷威中文线路图.. DODGEJCUV10-D[3D4PG6FD1A** ]
  气囊电脑线路图及针脚定义 仪表模块和转向.. 东风本田URV2018 9-L15BD[LVHTG4831K** ]
以下是通用相关车型的客服问题,希望对您有帮助
 克尔维特发动机电脑线路图..通用汽车有限公司雪佛兰克尔维特 2013 L T 1 [1G1YF2D72E**]
 BCM,上F49这个保险丝的电路图..通用汽车Escalade [凯雷德]6.2 手自一体 2022 L87(6.2) [1GYS48KL2M**]
 2007款3.6悍马H3水温传感器电路图..通用悍马H3 2007 LLR [5GTMNHEE5A**]
 空调线路,主要是要空调压缩机..凯迪拉克SRX 2011 1 [3GYFN9EY2B**]
 宝骏510发动机气门间隙是多少..通用五菱宝骏乐驰 2017年 L2B1.5 [LZWADAGA2H**]
 发动机电控喷油电路..凯迪拉克SRX 2010年7月 LF1 [3GYFN9EY9B**]
 14年凯迪拉克SRX变速箱电路图..凯迪拉克SRX 14 LFW
 悍马H2 的发动机电路图80+80针的 仪表电路图24..通用悍马H2 2004 6.0 [5GRGN23U64**]
 自动变速箱系统电路图..通用福特福克斯 2012 1.6L [LVSHCADB0C**]
 自动变速箱维修资料..通用别克君越 08 LE5 [LSGWS52X98**]
 查询凯迪拉克CT6视频处理模块和收音机电路图..通用凯迪拉克CT6 2020 LSY [LSGKR53LOL**]
 收音机保险丝位置..通用汽车Astra GTC [雅特 GTC]1.8 自动 2006 Z 18 XE(1.8) [W0LAH24396**]

Copyright @ 2009 www.car388.com All rights reserved. 蜀ICP备12014226号-2 增值电信增值业务许可证:川B2-20190647 服务电话:028-87038205 87039205 87020205 川公网安备 51010502010015号 公司地址:成都市龙泉驿区经开区南二路309号 鼎峰动力港 企业办公总部基地 12栋
2025-01-15.-.V25VHTML-2025-V18-11-5---2-