[返回列表.]    [免费下载畅易手机版APP ]

用户 90635446 **当前提问:12年力帆320 雨刮电路图

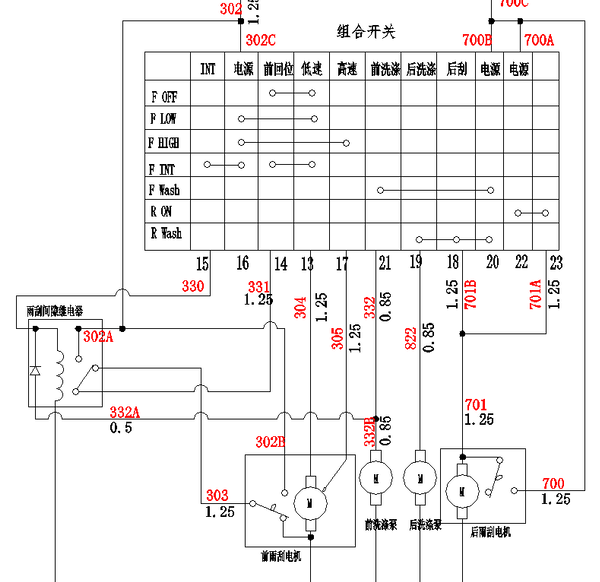
12年力帆320 雨刮电路图

.尊敬的用户,欢迎你使用在线客服,你的问题客服人员已为你处理完毕,请下载附件,如有疑问,欢迎和我们联系!13年力帆320 雨刮电路图.

附件:49501138099048.zip


用户 90635446 ***其他客服问题:
test:
  2016年2.5T江西五十铃MUX防盗系统、智能钥匙系.. 江西五十铃MUX2016-4JK1[LETDJDCB5G** ]
  三菱 E-V25W GYHC 发动机完整电脑端子针脚图(.. 三菱v25-44001111993~1995-6G74 A69E
  长城驰誉点火线圈电路图.. 长城驰誉11-4G63[1** ]
  萨博全车电路图.. 萨博萨博9—32008-B284L[YS3FH41U18** ]
以下是力帆相关车型的客服问题,希望对您有帮助
 10年华晨宝马320发动机维修手册..华晨宝马320 10年 N46B20E [LBVPS5102B**]
 敞篷宝马320活动顶棚控制模块安装位置..宝马320 09年 N46B20CC [WBAWK5106A**]
 有没有宝马M54发动机正时资料..宝马320i 2003 M54
 BCM电路图..力帆迈威 2016 LF475Q-H [LCN64EE45G**]
 正副驾驶员脚步上方照明灯电路图..宝马320i3X11 2015 N20B20B [WBA3X1105G**]
 副驾驶保险丝盒保险丝详细位置..宝马320 2010 N46 [WBAPG5107A**]
 给一个份力帆迈威 手动挡17年 的 车身电路..力帆迈威 17 LFB479Q [LCN64EE52H**]
 力帆720发动机及全车电路图..力帆牌LF7158 2014-05-29 LF479Q2-C [LLV2A3A24E**]
 自动变速箱更换波箱油资料..华晨宝马320LI 2013.02 N20B20D [LBV3M2108D**]
 力帆x60的发动机线路图有没..力帆x60 2011 LFB479Q [LCN64ED5XB**]
 05年宝马320I启动马达控制电路图和倒车灯 后..宝马320 2005.12 N46B2CB [LBVVA96036**]
 正时图..力帆620 11 LF479Q2-B [LLV2A3A20D**]

Copyright @ 2009 www.car388.com All rights reserved. 蜀ICP备12014226号-2 增值电信增值业务许可证:川B2-20190647 服务电话:028-87038205 87039205 87020205 川公网安备 51010502010015号 公司地址:成都市龙泉驿区经开区南二路309号 鼎峰动力港 企业办公总部基地 12栋
2025-01-15.-.V25VHTML-2025-V18-11-5---2-