[返回列表.]    [免费下载畅易手机版APP ]

用户 润达 **当前提问:2012年大捷龙前面雾灯,左右转向灯电

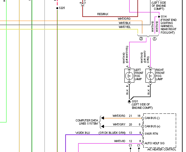
2012年大捷龙前面雾灯,左右转向灯电路图

.尊敬的用户,欢迎你使用在线客服,你的问题客服人员已为你处理完毕,请下载附件,如有疑问,欢迎和我们联系!2012年克莱斯勒大捷龙灯光电路图.

附件:40291140552687.rar

已评价:5星好评


用户 润达 ***其他客服问题:
test:
  .. X62012-
  2014年致悦车窗电路图.. 广汽菲亚特GFA7140BKAB2014-343A20027[LWVBA2044E** ]
  东风风行五天窗的天窗电路图.. 东风风行凌智2013-DF491[5MT** ]
  发动机正时记号图.. 东风牌DXK6442AF22014-4A91S
  2006年CTS数据通讯线路图.. 凯迪拉克CTS2006-LP1[1G6DM57T06** ]
  克莱斯勒大捷龙变速器电路图.. 克莱斯勒GRAND VOYAGER2013-G[2C4PC1GG6D** ]
以下是克莱斯勒相关车型的客服问题,希望对您有帮助
 巡航功能失效,求一份2014款2.4排量道奇酷威..克莱斯勒Journey [酷威]2.4 手自一体 两驱智尚版 2013 B(2.4) [3C4PDCFB1E**]
 克莱斯勒300C仪表,顶灯,后尾箱电路图..克莱斯勒300C 06 2.7L-V6 [1C3J8B3RX6**]
 大灯线路图..克莱斯勒PT Cruiser [PT漫步者]2.4 自动 2007 EDZ(2.4) [1A8FYB8B68**]
 仪表电路图 车身电路图 发动机电路图 变速..克莱斯勒大捷龙 97年6月11日 EGA
 遥控及遥控接收这方面的线路图..克莱斯勒大捷龙 07 EGA [LTNG554E27**]
 发动机电脑,BCM,防盗模块位置图以及拆卸流程..克莱斯勒Challenger [挑战者]3.6 自动 V6 2015 G(3.6) [2C3CDZAG6J**]
 发动机电控电路图..克莱斯勒BJ7270J 2008.1 EER [LE4FG75D78**]
 左前车门锁机到车身电脑电路图..克莱斯勒大捷龙 2013 G [2C4PC1GG8D**]
 有没有客服知道克莱斯勒300的保养归零是怎么..克莱斯勒300 2008-2010
 AC Heater Control/Cluster/Sentry Key Remote Keyless Entry ..克莱斯勒300c 07 . [1c3h863r06**]
 启动系统线路..克莱斯勒Gladiator [角斗士]3.6 手自一体 先行版 2022 G(3.6) [1C6JJTFG2N**]
 克莱斯勒漫步者PT波箱电脑线路图和维修手册..克莱斯勒漫步者 2007 K [K**]

Copyright @ 2009 www.car388.com All rights reserved. 蜀ICP备12014226号-2 增值电信增值业务许可证:川B2-20190647 服务电话:028-87038205 87039205 87020205 川公网安备 51010502010015号 公司地址:成都市龙泉驿区经开区南二路309号 鼎峰动力港 企业办公总部基地 12栋
2025-01-15.-.V25VHTML-2025-V18-11-5---2-