[返回列表.]    [免费下载畅易手机版APP ]

用户 15630550 **当前提问:发动机电脑电路图

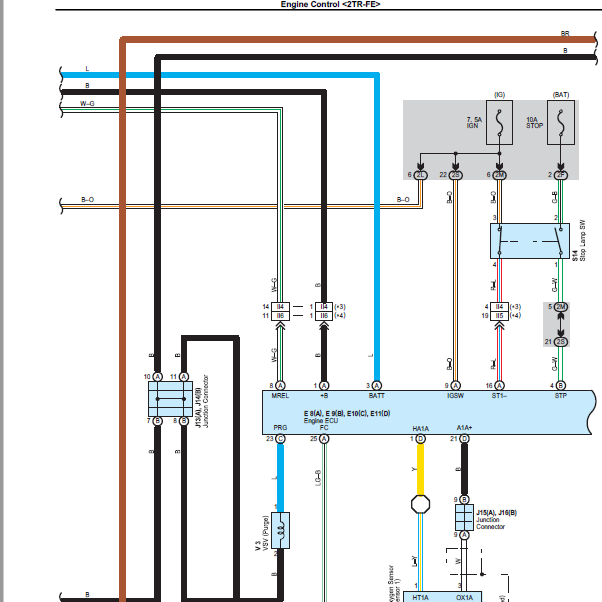
发动机电脑电路图

.尊敬的用户,欢迎你使用在线客服,你的问题客服人员已为你处理完毕,请下载附件,如有疑问,欢迎和我们联系!丰田2TR发动机电路图.

附件:58781147182755.rar

.尊敬的用户,欢迎您使用在线客服,您需要的资料已更新了全系统的电路图,请您直接进入畅易平台查询!查询方法:国内厂家 ->一汽丰田-普拉多(PRADO) -2017-2019[ 线路图 ].一汽丰田-普拉多(PRADO) -2017-2019[ 线路图 ]


用户 15630550 ***其他客服问题:
test:
  气囊电脑位置图.. 长城哈弗长城哈弗H52013年-4G63S4T[LGWFF5A53D** ]
  充电电路.. 湖南长丰猎豹CFA6473A32009-4RB3[LL6652B039** ]
  发动机电路图.. 昌河铃木北斗星2017年12月-K14B-D[LVFAD2AD9H** ]
  里程表传感器电路.. 长安长安之星2012-JL466Q9[LS4BDB3D2C** ]
  发动机电路图 .. 江淮瑞风2006-G4JS[LJ166AA235** ]
  大众cc SC34 T2XL T2KS 这两个插头位置在哪.. 一汽大众CC2013-CGM[LFV3A23CXD** ]
以下是一汽丰田相关车型的客服问题,希望对您有帮助
 31+35+35+34针发动机电路图..一汽丰田花冠 2007年 1ZR
 请求2015款一汽丰田皇冠,更换一个轮胎压力..一汽丰田皇冠 2015 2.5
 发动机和防盗的线路图..一汽丰田丰田 2012 1UR [LFMG2K743C**]
 大灯电路图和元件位置图..一汽丰田LAND CRUISE 06 2UZ [LFMGL07326**]
 麻烦找一下08年丰田普拉多4000的can系统电路图..丰田普拉多4.0 2008 1GR
 丰田花冠中控故障,查不到电路图,查不到遥..一汽丰田花冠 2006/04 1ZZ [LTVBR22E26**]
 刹车灯控制电路(刹车开关,刹车开关继电器..丰田普拉多 2015 2tr [JTEBX3FJ9F**]
 后备箱电路图..一汽丰田RAV4 18.3 5AR [JHAKJBHAJK**]
 11款丰田锐志空调线路图..一汽丰田锐志 11 5GR
 一汽丰田普拉多后轮底盘升降电路图..一汽丰田普拉多 08 V 6
 RAV4音响电路图 及插头针脚图..一汽丰田RAV4 2017 6ZR [LFMK440F3H**]
 左后车窗电路图..丰田普拉多 2009 4.0 [LFMGJ27289**]

Copyright @ 2009 www.car388.com All rights reserved. 蜀ICP备12014226号-2 增值电信增值业务许可证:川B2-20190647 服务电话:028-87038205 87039205 87020205 川公网安备 51010502010015号 公司地址:成都市龙泉驿区经开区南二路309号 鼎峰动力港 企业办公总部基地 12栋
2025-01-15.-.V25VHTML-2025-