[返回列表.]    [免费下载畅易手机版APP ]

用户 东湖 **当前提问:倒车灯线路

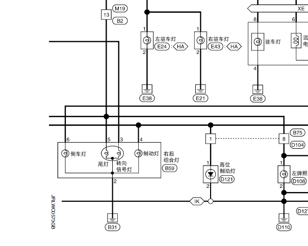
倒车灯线路

.尊敬的用户,欢迎你使用在线客服,你的问题客服人员已为你处理完毕,请下载附件,如有疑问,欢迎和我们联系!日产骐达倒车灯线路.

附件:73721170674080.rar

已评价:5星好评


用户 东湖 ***其他客服问题:
test:
  03年宝马530K-CAN线路上的所有控制单元位置图.. 宝马5302003-M54[LBVNA79023** ]
  吉利帝豪EC718自动档变速箱故障码P1769的含义 .. 吉利帝豪EC7182011-JL4G18[L6T7844Z9B** ]
  ABS线路图 主要是ABS跟发动机电脑和变速箱电.. 现代酷派2006-G4GC[KMMHN61D66** ]
  前氧传感器电路图.. 奔驰Glk3002012.12-272 948[LE4GG8BB7D** ]
  转向灯跟车窗电机线路图.. 丰田锐志2015-5GR[LFMBEC4D6F** ]
  路虎发动机号码在哪个位置.. 路虎揽胜2018-306PS[SALWA2BV5K** ]
以下是尼桑相关车型的客服问题,希望对您有帮助
 电脑针脚图..尼桑奇骏 2010 qr25
 带记忆功能的电动座椅电路图..尼桑蓝鸟 2004 四缸
 日产350Z发动机控制电路图..尼桑350Z 2006 VQ35DE [JN1BZ34E98**]
 尼桑蓝鸟室内保险丝说明和电路图..尼桑蓝鸟 2011 ··· [LGBH1AE05B**]
 变速箱L/压力电磁阀电路图..东风日产骐达 2009年09月 HR16 [LGBG22E009**]
 空调压缩机线路图..林昱汽车维修骐达 2010 HR16 [LGBG22E04A**]
 这个保险盒和继电器,说明,先看下,还有点..日产骐达TIIDA 2008 1 [LGBG22E01A**]
 发动机电脑板端子图..尼桑奇骏奇骏 2011 QR25
 油门踏板针脚定义..日产骐达 2007 16d [LGBG22E007**]
 故障码P161D 防盗锁止系统维修资料..尼桑奇骏 2021 KR15 [LGBM2ME48M**]
 16年逍客全车电路图..尼桑逍客 2016 1 [1**]
 17年途乐 油箱油位传感器电路图..尼桑途乐 2017 VQ40 [JN8BYZNY3J**]

Copyright @ 2009 www.car388.com All rights reserved. 蜀ICP备12014226号-2 增值电信增值业务许可证:川B2-20190647 服务电话:028-87038205 87039205 87020205 川公网安备 51010502010015号 公司地址:成都市龙泉驿区经开区南二路309号 鼎峰动力港 企业办公总部基地 12栋
2025-01-15.-.V25VHTML-2025-V18-11-5---2-