[返回列表.]    [免费下载畅易手机版APP ]

用户 A1877366 **当前提问:江淮瑞风全车电路图2.0

江淮瑞风全车电路图2.0

.尊敬的用户,欢迎你使用在线客服,你需要的资料在《畅易汽车维修技术支持平台》是有的,请直接登陆查询!查询方法:国内厂家 -> 江淮汽车-瑞风(Refine)-2006-[ 线路图 ]2006年江淮瑞风电路图.

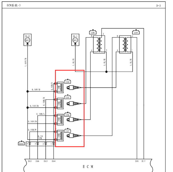
找一下喷油嘴电路图 还有喷油嘴线颜色

.尊敬的用户,欢迎你使用在线客服,抱歉,该资料里没有线路颜色的资料,你的问题客服人员已为你处理完毕,请下载附件,如有疑问,欢迎和我们联系!江淮瑞风2.0发动机喷油嘴电路图.

附件:72371176169817.rar


用户 A1877366 ***其他客服问题:
  电源分布图.. 现代现代2013-G4NA2.0
  全车电路图.. 大众帕萨特2002-1.8T
  雷诺13款风朗网络拓扑图.. 雷诺风朗2013-M4RK751[VF1LZL4T3D** ]
  2012款江铃驭胜换3挡打齿,求一份该车的变速.. 江铃驭胜2012-JX4D24A4L[LEFDJDBB8C** ]
以下是江淮相关车型的客服问题,希望对您有帮助
 系统里面没有 江淮瑞风M4 1.5发动机型号的..江淮瑞风M4 2018.05 HFC4GCI [LJ166A348J**]
 江淮T8胎压监测模块线路图..江淮汽车T8PR0 21 HFC4DB2一2E [LJ11PABD1M**]
 室内保险丝盒电源..江淮瑞鹰 2010年6月 HFC4GA3.C [LJ12GKS34A**]
 江淮M31.8发动机正时..江淮M3 2020 LJ4A18 [LLLLLLLL**]
 2016江淮瑞风S3--1.5 车窗防夹模块安装位置..江淮瑞风S3 2016 XXXXXX [LJ12EKR23G**]
 思皓QX大屏拆装资料..江淮思皓QX 2021 HFC4GC1.6E [LJ166A250M**]
 帮我找一下江淮瑞鹰1.9T发动机正时怎么对..江淮瑞鹰柴油1.9T 2010 D19TCI [LJ12GKSC3A**]
 是新能源汽车 刹车真空控制电路图 刹车真..江淮HFC5045XXYEV1 2019年12月 TZ370XS [LJ1EKBBS7K**]
 江淮瑞铃电子扇电路图..江淮瑞玲 2014 4D25U [LJ11PABC5F**]
 无法启动,主继电器和油泵继电器线路有短路..江淮瑞玲皮卡 2015 491QE [LJ166AB22F**]
 麻烦发份18年江淮12伏M4柴油发动机博士EDC17C81..江淮M4 18年 HFC4DB1-2D12伏柴油机 [LJ166A3D3J**]
 10年江淮和悦的仪表端子图 ..江淮和悦 2010 1 [LJ16AA3368**]

Copyright @ 2009 www.car388.com All rights reserved. 蜀ICP备12014226号-2 增值电信增值业务许可证:川B2-20190647 服务电话:028-87038205 87039205 87020205 川公网安备 51010502010015号 公司地址:成都市龙泉驿区经开区南二路309号 鼎峰动力港 企业办公总部基地 12栋
2025-05-10.-.V28**