[返回列表.]    [免费下载畅易手机版APP ]

用户 18070886 **当前提问:发动机电脑针脚图

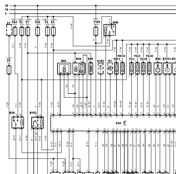
发动机电脑针脚图

.尊敬的用户,欢迎你使用在线客服,非常抱歉,客服查询了相近年款的资料没有该发动机的针脚资料,为您处理了电路图资料参考,请下载附件,给您带来不便,请谅解!2002年宝马318I发动机电路.

附件:76471208779412.rar

已评价:5星好评


用户 18070886 ***其他客服问题:
test:
  电子助力方向电路图.. 领克03201911-JLH-3G15TD[L6T7824Z6K** ]
  发动机电脑针脚图及电路图.. 广汽传祺Gs44201802-4A15M1[LMGAC1C86J** ]
  左右后视镜电路图.. 日产逍客DFL6440VAL2201809-MR20[LGBL4AE09J** ]
  发动机电脑电路图及针脚图.. 斯柯达明锐200907-BXX[LSVAD41ZX9** ]
  室内顶灯电路图.. 凯迪拉克SLS200709-Lp1[LSGDE53TX7** ]
  四驱前桥电动离合器控制器安装位置图.. 长城风骏5201706-GW4D20B[LGWDBD195H** ]
以下是宝马相关车型的客服问题,希望对您有帮助
 04年宝马750L.控制单元 车辆访问 ..宝马750 2004 N55
 宝马Z4后备箱电路图..宝马Z4 2009 N52B25BF [WBALM3100A**]
 启动电路图..宝马 730Li 2009 N52B30AF [WBAKB2109A**]
 帮我发一下电子扇控制电路..宝马汽车 x5 2016 N20B20A [MMFLS4405J**]
 17年宝马X4档把电路图..宝马宝马X4 17年 N20B20A
 宝马迷你汽油泵电路图..宝马迷你 12年 N18B16A [WMWSX3107C**]
 找下左前门锁块拆卸图 01SS..宝马116i 2013 N13B16A [WBA1A1103D**]
 12年宝马760 应急解p档..宝马7系 12 n74b60
 空调系统压缩机 鼓风机控制电路图..宝马325i 2005 09 N52B25BF [LBVVB59015**]
 宝马523全车电路图..宝马523i 2010 N52B [LBVPZ310XA**]
 发动机冷却系统排空资料..宝马528li 2018 1 [LBVKY3103J**]
 帮我找一下电子气门伺服电机的电路图..宝马汽车X5 xDrive35i3.0T 手自一体 领先型 2013 N55B30A(3.0) [WBAZV4109D**]

Copyright @ 2009 www.car388.com All rights reserved. 蜀ICP备12014226号-2 增值电信增值业务许可证:川B2-20190647 服务电话:028-87038205 87039205 87020205 川公网安备 51010502010015号 公司地址:成都市龙泉驿区经开区南二路309号 鼎峰动力港 企业办公总部基地 12栋
2025-01-15.-.V25VHTML-2025-V18-11-5---2-