[返回列表.]    [免费下载畅易手机版APP ]

用户 15993121 **当前提问:长城哈弗CUV小灯 前雾灯 后雾灯 电路

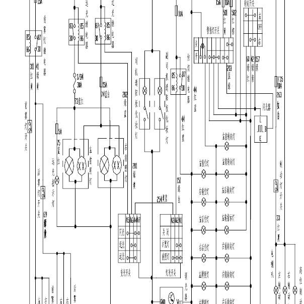
长城哈弗CUV小灯 前雾灯 后雾灯 电路图

.尊敬的用户,欢迎你使用在线客服,你的问题客服人员已为你处理完毕,请下载附件,如有疑问,欢迎和我们联系!哈弗CUV灯光电路图.

附件:91331238528833.rar


用户 15993121 ***其他客服问题:
test:
  标致307油门踏板的线路图.. 东风标致3072008年-。。。
  17年名图电路图.. 北京年代名图17·9-G4FJ[LBECFAFB4H** ]
  众泰Z200车身模块电路图.. 众泰Z2002011-4A90M
  2016金牛座安全气囊电路图.. 长安福特金牛座2016-CAF488WQ7[LVSHMFAC6G** ]
  10年长丰帕杰罗abs电路图 资料上的不对 ABS有.. 三菱帕杰罗2010-6G72[LL621HBC00** ]
  14年长安CS35一键启动电路图.. 长安CS3514年-JL478QEE[LS5A3DBE1E** ]
以下是长城牌相关车型的客服问题,希望对您有帮助
 长城风骏6正时皮带的安装..长城牌风骏6 17年6月 GW4D20B [LGWCBD185H**]
 长城风骏5 GW4D20B发动机维修手册..长城牌CC1021PA4J 2015年02 GW4D20B [LGWCBD196F**]
 长城中空锁线路图..长城牌cCC1031PS45 2009-11-04 GW2.8TC-2 [LGWCBC1789**]
 长城风骏5柴油发动机电脑针脚图 94针..长城牌风骏5 2013 .............
 仪表供电搭铁线路图..长城牌H6 2012、8 4G63S4M [LGWEF3A58C**]
 发动机电脑端子图..长城牌CC6460RM00 2012/05 4G63S4M [LGWEF3A5XC**]
 11年长城炫丽AMT变速箱线路图..长城牌长城炫丽 11年1.3L GW4G13 [LGWED2A32B**]
 14年的不合,我要13年的..长城牌m4 2013-4 GW4G15 [LGWED2A30D**]
 长城M4油箱盖拉线位置图..长城牌CC7151SMA05M4 2014 1401034931 [LGED2A3XEE**]
 长城仪表供电图..长城牌长城 2013.5 gw4g15 [LGWED2A36D**]
 给我一个网络拓普图..长城牌哈弗H6 2011 4G63S4M [LGWEF3A58C**]
 长城腾翼C50巡航系统无法使用,..长城牌C50 2012 GW4G15T [LGWEF3K54C**]

Copyright @ 2009 www.car388.com All rights reserved. 蜀ICP备12014226号-2 增值电信增值业务许可证:川B2-20190647 服务电话:028-87038205 87039205 87020205 川公网安备 51010502010015号 公司地址:成都市龙泉驿区经开区南二路309号 鼎峰动力港 企业办公总部基地 12栋
2025-01-15.-.V25VHTML-2025-V18-11-5---2-