[返回列表.]    [免费下载畅易手机版APP ]

用户 zxd888 **当前提问:03年M6自动挡 2.3L 变速器电路图有吗

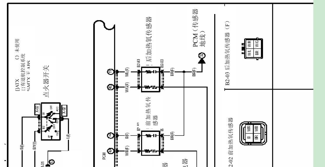
03年M6自动挡 2.3L 变速器电路图有吗

.用户您好,请登陆畅易汽车维修技术支持平台——》国内汽车厂家——》一汽马自达——》M6——》2004-2006——》电路图——》底盘——》EC-ATM6变速箱电路图


用户 zxd888 ***其他客服问题:
  ABS电路图+故障码翻译P0517是什么故障码.. 天津一汽丰田皇冠3.02005-3GR
  16年威驰电路图.. 丰田威驰2016-00
  Q7 4.2发动机电脑针脚图.. 奥迪Q707-4.2
  荣威750全车线路图.. CSA7180ACHEV荣威11-18K4G[LSJW16560B** ]
  吉利知豆全车线路图.. 吉利吉利-知豆-D12015-7月-DY-BLDC-72-9A[LJU70W1Z7F** ]
  荣威550 正时安装图.. 荣威5502010年4月-18K4C[LSJW26H34A** ]
以下是马自达相关车型的客服问题,希望对您有帮助
 5F23自动变速器维修手册..马自达HNC7200B4T0 2012 HM484Q-A [LH16CHAL6C**]
 后车身控制模块安装位置..一汽马自达M6 2013 LF [LFPM4ACC3D**]
 ABS电脑端子功能及检测数据 急!!..马自达millenias 2000 六缸
 自动变速箱油泵拆装..马自达CX-4 2018/2019 PE 2.0L [LFPM4APE8K**]
 发动机,维修资料?s..马自达MX5 2010
 找下车内保险盒图解..马自达M6 2009 2 [LFPM5ACP4A**]
 有没有2011年马自达5变速箱内部维修资料,包..马自达马自达5 2011年 无
 进口马自达3 4速变速箱 电磁阀A电路图..马自达马自达3 08 1.6 [1**]
 马自达8变速箱电脑板装在什么位置..马自达马自达8 11 zz [LFBME3084B**]
 SECTION 0940-D是什么..马自达M6 2005 LF [LFPH4ABC25**]
 2006款马自达各控制模块安装位置示意图..一汽马自达M6 2009
 06年马六的BCM 九针插头定义有吗..马自达马六 2006 XX [XX**]

Copyright @ 2009 www.car388.com All rights reserved. 蜀ICP备12014226号-2 增值电信增值业务许可证:川B2-20190647 服务电话:028-87038205 87039205 87020205 川公网安备 51010502010015号 公司地址:成都市龙泉驿区经开区南二路309号 鼎峰动力港 企业办公总部基地 12栋
1.-.V25VHTML-2025-V18-11-5---2-