[返回列表.]    [免费下载畅易手机版APP ]

用户 千岛 **当前提问:TF80变速箱电路图

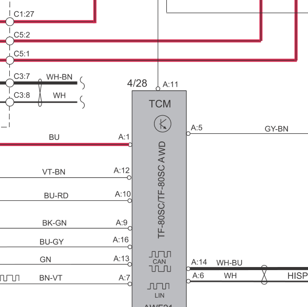
TF80变速箱电路图

.尊敬的用户,欢迎你使用在线客服,你的问题客服人员已为你处理完毕,请下载附件,如有疑问,欢迎和我们联系!2014年沃尔沃V40变速箱电路图.

附件:90441279428675.zip


用户 千岛 ***其他客服问题:
test:
  C280网关控制模块装在什么地方?.. 奔驰C280/20410-272[LE4FTL8KX8** ]
  fx35英菲尼迪仪表内的油表指示电阻是多少,.. 英菲尼迪英菲尼迪10-vq35hr[金卡是5** ]
  发动机号在哪.. 路虎路虎发现42011年-4.0 V6[SALAN2448B** ]
  发动机维修手册.. 保时捷帕拉梅拉2014年-CWF [WP0AA2976E** ]
  发动机维修手册.. 奔驰2202002-112944[WDB2201651** ]
  07年雷克萨斯LS460发动机针脚图.. 雷克萨斯雷克萨斯07年-1UR
以下是沃尔沃相关车型的客服问题,希望对您有帮助
 车身和防盗..沃尔沃XC40沃尔沃XC40 2020 B4204T51 2.0T [LYVXEAED2M**]
 沃尔沃XC90 3.0T正时..沃尔沃XC90 T6 P7 06 3.0T [YV1CZ91456**]
 沃尔沃T5发动机维修资料..沃尔沃xc60 2012 T5
 发动机维修手册01SS..沃尔沃(进口)XC60 2015 2.0T T5 B4204T7 [YV1DZ4754F**]
 车身模块维修手册和电路图..沃尔沃V40 2016 B4154T4 [YV1MV2923H**]
 沃尔沃XC90正时手册..沃尔沃XC90 2017 B4204T27 [YV1LFA2D4J**]
 正时维修手册..沃尔沃XC90 11年 2.5T
 倒车雷达模块安装位置..沃尔沃XC60 2013 B4204T7 [YV1DZ4759E**]
 沃尔沃安全气囊电路图,遥控接收天线电路图..沃尔沃XC60 18 B420T23 [LYVUE10A0K**]
 沃尔沃XC60-T6-3.0L发动机在车上起动机拆装图..沃尔沃XC60T6 2010.01 B6304T [YV1DZ9950A**]
 手刹调整方法..沃尔沃xc90 2015 C583Q [LVYCE24A6F**]
 发动机维修手册包括曲轴,连杆,缸盖,正时..沃尔沃s90 2017 b4204t44 [lvypdala5j**]

Copyright @ 2009 www.car388.com All rights reserved. 蜀ICP备12014226号-2 增值电信增值业务许可证:川B2-20190647 服务电话:028-87038205 87039205 87020205 川公网安备 51010502010015号 公司地址:成都市龙泉驿区经开区南二路309号 鼎峰动力港 企业办公总部基地 12栋
2025-01-15.-.V25VHTML-2025-