[返回列表.]    [免费下载畅易手机版APP ]

用户 15733012 **当前提问:需要一份12年丰田RAV4刹车灯电路图

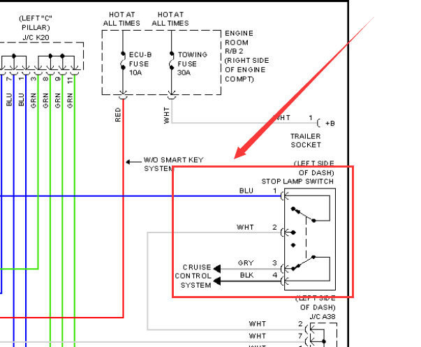
需要一份12年丰田RAV4刹车灯电路图 刹车开关4根线的

急急急 在线等 谢谢

来个中文的 谢谢

.尊敬的用户,欢迎你使用在线客服,抱歉资料库里12年RAV4没有4根线的刹车开关资料,只有2010年英文版的RAV4有个4根线的电路图资料,如需要请下载附件参考,给您带来不便,请谅解!.2010年丰田RAV4刹车灯开关电路图

附件:74611226774431.rar


用户 15733012 ***其他客服问题:
test:
  大运纯电动载货汽车,车身电脑电路图.. 成都大运大运奥普力纯电动载货汽车18年12月-驱动电机型号 DY213AAC01000[LA9XL44BXJ** ]
  享域维修手册 气囊维修手册 倾斜传感器位.. 本田享域20-2023338[LVHFS4661L** ]
  SRX转向锁电路图.. 凯迪拉克SRX11年-LF1[3GYFN9EY4B** ]
  全车电路图或网络电路图.. 江西大乘汽车G602019年9月-JT16N[LF0E5ASE9K** ]
  雷克萨斯UX260h 坐感传感器电路图 位置图 .. 雷克萨斯UX260h21-M20A[JTHY6JBHXM** ]
  19款gs3 三缸发动机电路图 .. 传祺gs319-3BJ[LMWHT1CXK1** ]
以下是丰田相关车型的客服问题,希望对您有帮助
 帮我找一下13年9月份凌志ES250遥控门锁 轮胎胎..丰田凌志ES250 2013年9月 2,5 [不祥**]
 19年赛纳电动尾门电路图..丰田赛纳 19 2GR
 保险盒分解图..丰田LX570 2013 3UR-FE [JTJHY00W7F**]
 悬架系统电路图 以及C1762泵油压异常故障码含..丰田酷路泽 2004 无 [LFBRF77864**]
 麻烦老师发一下这个发动机的气门正时和平衡..丰田普拉多 09 2TR [JTEBL29J69**]
 发动机电脑端子定义..丰田酷路泽 2008 2Uz FE [JTMHT05J58**]
 荣放曲轴位置传感器安装示意图..一汽丰田RAV4 2012 1AZ-FE [LFMKV36FXC**]
 仪表电路图,燃油泵电路图,车身控制电路图..丰田坦途 2014 3UR [5TFAW5F14E**]
 发动机电脑定义图 电脑版是四个插头的 我只..丰田普拉多 2005 2TR-FE [JTEBL29J85**]
 空调AC放大器端子图。空调电路图..丰田丰田花冠 2009年 1ZR [LFMAP22C79**]
 电脑版针脚,曲轴信息线在B插头里面的那种..丰田汽车Previa [普瑞维亚]2.4 自动 2002 2AZ-FE(2.4) [JTEGD34M40**]
 丰田大霸王右侧电动中门线路图..丰田普瑞维亚 2000-2005 2AZ [JTEGD34M00**]

Copyright @ 2009 www.car388.com All rights reserved. 蜀ICP备12014226号-2 增值电信增值业务许可证:川B2-20190647 服务电话:028-87038205 87039205 87020205 川公网安备 51010502010015号 公司地址:成都市龙泉驿区经开区南二路309号 鼎峰动力港 企业办公总部基地 12栋
2025-01-15.-.V25VHTML-2025-V18-11-5---2-