[返回列表.]    [免费下载畅易手机版APP ]

用户 jianruif **当前提问:转向系统电路图

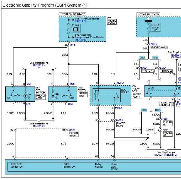
转向系统电路图

转向灯和危险警告灯电路图

.尊敬的用户,欢迎你使用在线客服,你的问题客服人员已为你处理完毕,请下载附件,如有疑问,欢迎和我们联系!.2010年起亚索兰托(XM)G2.4 转向系统电路图

附件:30781301606138.rar

.尊敬的用户,欢迎您使用在线客服,您需要的资料已更新了全系统的电路图,请您直接进入畅易平台查询!查询方法:国外厂家 ->KIA(起亚汽车)-Sorento(索兰托)-2007-2009[ 线路图 ].KIA(起亚汽车)-Sorento(索兰托)-2007-2009[ 线路图 ]


用户 jianruif ***其他客服问题:
  维拉克斯后雨刷电路图.. 现代维拉克斯2010年8月-G6DA[KMHNU81C3B** ]
  10年尼桑骊威全车电路图,我参照了07/09和13/14.. 东风日产骊威2010.11-HR16[LGBK22E54A** ]
  电动玻璃线路图.. 长城牌cc6460km09哈弗cuv2010.06-4G69S4N[LGWEF3A51A** ]
  09年华泰圣达菲发动机电路图和防盗电路图与.. 荣成华泰汽车有限公司圣达菲20090210-18k4G[LRH12R2B69** ]
  黄海奇胜电喷柴油机发动机电路图.. 丹东黄海汽车奇胜10-R425D0HC[LDD01B026A** ]
以下是韩国相关车型的客服问题,希望对您有帮助
 进口现代劳恩斯2012年变速箱维修资料和变速..韩国BKG20E42WA8C 2012 G4KF [KMHHT61D8D**]
 15年双龙柯兰多中控锁线路图..韩国双龙柯兰多 15 2.0
 11年新胜达燃油表线路..韩国现代新胜达 2011.03 G4KE [KMHSH81B5B**]
 四驱线路图 四驱摸快位置..韩国现代 08年3 G6EA [KMHSH81D88**]
 科帕奇全车电路图..韩国通用大宇科技制造科帕奇 05年8月 z24sed [kl1dc53f08**]
 韩国起亚新佳乐发动机变速箱电脑单子定义图..韩国新佳乐 2010.5 G4KA [KNAHH8115A**]
 双龙 主席 600L.请查下ABS 电路图,ABS电脑插头..韩国双龙主席 1999 奔驰3.2 [KPBNF2A91W**]
 客服!给我找一下2008年的现代新胜达 德尔福M..韩国现代新胜达 2008年 G6EA [KMHSHH81D8**]
 感谢你们提供了此车资料,但资料不详,无法..韩国现代维拉克斯 2007 233454566 [1234567889**]
 双龙柯兰多气囊电子原件位置图(司机后侧碰..韩国双龙柯兰多 2007 2.0
 08年科帕奇发动机电脑电路图..韩国通用大宇科帕奇 2008 Z24SED [KL1CC53F18**]
 转向灯和危险警告灯电路图..韩国起亚索兰托 2009 G4KE [KNAKU8110A**]

Copyright @ 2009 www.car388.com All rights reserved. 蜀ICP备12014226号-2 增值电信增值业务许可证:川B2-20190647 服务电话:028-87038205 87039205 87020205 川公网安备 51010502010015号 公司地址:成都市龙泉驿区经开区南二路309号 鼎峰动力港 企业办公总部基地 12栋
2025-05-10.-.V28**