[返回列表.]    [免费下载畅易手机版APP ]

用户 18606913 **当前提问:英菲尼迪FX35转向灯没有,双闪正常什

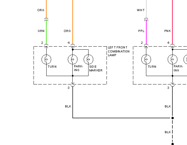
英菲尼迪FX35转向灯没有,双闪正常什么问题,怎么检查

.尊敬的用户您好!非常抱歉,畅易维修技术支持平台主要提供技术资料如维修手册和电路图,暂时没有疑难诊断技术支持服务,客服处理了该车的灯光部分全部资料,如需要请下载附件查看,给您带来不便,请谅解!2010年英菲尼迪FX35转向灯电路图.

附件:12751315446702.rar


用户 18606913 ***其他客服问题:
test:
  obd诊断接口的电路图.. 雪铁龙 云逸2018- 10UF01 5G02 [LDCA31245J** ]
以下是酷车族汽修相关车型的客服问题,希望对您有帮助
 10款英菲尼迪FX35电路图维修手册完整版..INFINITI英菲尼迪FX35 10 VQ35HR [JNKAS15F8A**]
 发动机电路图..英菲尼迪Q70英菲尼迪Q70 2015 VQ25 2.5L [JNKCY11E7F**]
 您好有英菲尼迪EX25的ABS电脑针脚功能图吗,..英菲尼迪英菲尼迪QX50 2012 0000 [0000**]
 车门锁主驾驶好用其他都不好用 遥控器和中..英菲尼迪fx35英菲尼迪 04 VQ35 [JNRASQ8W84**]
 英菲尼迪FX35全车CAN线线路图.应该是2009+年的..TOCHIGI英菲尼迪FX35 2008/12 VQ35 [JNKASI5F29**]
 英菲尼迪电路图..日本英菲尼迪 14年6月 274930 [JNKCV71E9E**]
 英菲尼迪qx60内部天线的位置图 最好是中文的..美国英菲尼迪 2016 qr25
 2016年英菲尼迪ESQ电路图..日产英菲尼迪 2016 HR16 [JNKBF53EXG**]
 帮忙找一个14年英菲尼迪Q50排量2.0T的法定及电..英菲尼迪英菲尼迪Q50 2014 2.0T
 2013款英菲尼迪全车电路图没有..日产英菲尼迪 2013 VQ25 [JNKDV61E7D**]
 电路图..英菲尼迪英菲尼迪M25 2012年5月 VQ25 [JNKCY11E9D**]
 英菲尼迪FX50仪表电路图..英菲尼迪英菲尼迪FX50 2009 VK50VE [JNKBS15F19**]

Copyright @ 2009 www.car388.com All rights reserved. 蜀ICP备12014226号-2 增值电信增值业务许可证:川B2-20190647 服务电话:028-87038205 87039205 87020205 川公网安备 51010502010015号 公司地址:成都市龙泉驿区经开区南二路309号 鼎峰动力港 企业办公总部基地 12栋
2025-01-15.-.V25VHTML-2025-