[返回列表.]    [免费下载畅易手机版APP ]

用户 郭三 **当前提问:风扇电路图谢谢

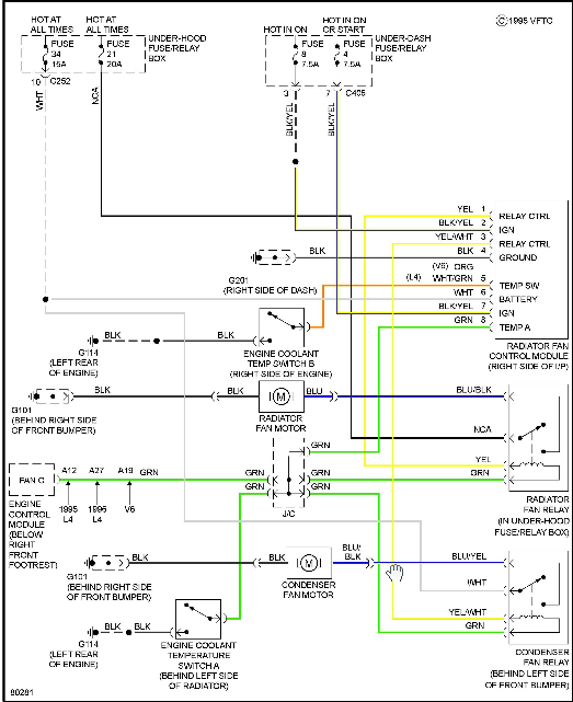
风扇电路图谢谢

.

用户您好,资料已上传,请下载附件

本田CD4风扇电路图

 

附件:3644132188072.rar


用户 郭三 ***其他客服问题:
  空调线路图谢谢.. 一汽捷达12-
  空调匹配.. 大众迈腾08-84520[LFV3A23C48** ]
  热车冒蓝烟。谢谢.. 宝马320i07-
  这里填写咨询内容电脑线路图.. 一汽解放2006-CA4G25E
  防盗电路图,,,,,,,谢谢.. 华晨宝马320i宝马2007-4缸
  02年宝来1.8发动机真空管分不图.. 一汽大众宝来1.802年-BAF021281
以下是本田相关车型的客服问题,希望对您有帮助
 车子漏电,需要发动机仓保险丝盒图解..本田奥德赛 06 K24A6 [LHGRB18476**]
 电子节气门到油门踏板和发动机电脑版的线路..本田皓影 2021 L15BT [LHGRY185XM**]
 本田时韵 发动机电脑版针脚图..本田时韵 04 K20A [JHMRN38501**]
 本田奥德赛 防盗模块安装位置 带有一键启..本田奥德赛 2015 K24W5 [LHGRC3827F**]
 本田里程TCS维修资料及故障码..本田里程 2004 V6 3.5L [JHMKA96204**]
 更换发动机电脑后怎么匹配啊..本田锋范 2011年6月 L15A7 2361677 [LHGGM2558B**]
 帮我找个发动机电脑版针脚图 ..本田雅阁 2003 K24A4 [LHGCM56633**]
 本田雅阁全车维修手册SS..本田雅阁 2019/2020 [ **]
 13年本田crv变速箱维修手册,谢谢..本田越野 13年 R20A7 [LVHRM1834D**]
 雨刮控制模块的针脚定义,还有车身模块的也..本田锋范 2012 1 [LHGGM2634D**]
 讴歌..本田讴歌MDX 2007 3.0
 爆震传感器电路图..本田1234 2000 ACCORD [LHGCG5661Y**]

Copyright @ 2009 www.car388.com All rights reserved. 蜀ICP备12014226号-2 增值电信增值业务许可证:川B2-20190647 服务电话:028-87038205 87039205 87020205 川公网安备 51010502010015号 公司地址:成都市龙泉驿区经开区南二路309号 鼎峰动力港 企业办公总部基地 12栋
2025-04-27.-.V25