[返回列表.]    [免费下载畅易手机版APP ]

用户 联达 **当前提问:玻璃升降器线路图

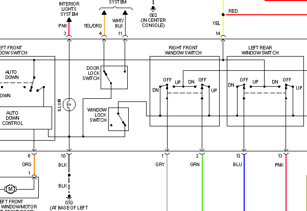
玻璃升降器线路图

.尊敬的用户,欢迎你使用在线客服,你的问题客服人员已为你处理完毕,请下载附件,如有疑问,欢迎和我们联系!07年途胜玻璃升降器电路图.

附件:71161322005452.zip


用户 联达 ***其他客服问题:
test:
  奔腾B50冷却风扇线路图.. 一汽奔腾B502012-BWH[LFPH3ACC6C** ]
  高度行驶模块线路图中文版的.. 路虎发现32005-448PN[SALAG25466** ]
  帮我找一份智能系统的电路图资料 按照你说.. 通用别克GL82012-
  全车线路图加线速图加针脚图.. 哈弗H6coupe2018-GW4B15[LGWEF5A56J** ]
以下是北京现代相关车型的客服问题,希望对您有帮助
 09年现代锐动发动机和自动变速器线路图..北京现代锐动 2009 G4FC [LBEHDAFB39**]
 发动机针脚涂要PDF ..北京现代伊兰特 领动1.6 手自一体 GLX 智炫·精英型 2016 G4FD(1.6) [LBEADAFC2K**]
 全车维修手册ss..北京现代朗动(Elantra) 2017/2018 [ **]
 现代领动发动机电控系统电路图..北京现代领动 2016 G4FD [LBEADAFC1G**]
 M13.3这个插头链接那个控制模块,具体位置在..X现代途胜 2008.6 1 [LBEJMBKB18**]
 2003年北京现代索纳塔HO2S加热控制电路1排传感..北京现代索纳塔 2003年12月 G6BA 2656ML [LBESCCHK03**]
 现代悦动起动机拆装图..北京现代悦动 2011 BB663470 [LBEHDAEB1B**]
 缸盖螺丝扭矩..北京现代伊兰特 2005 G4GA [LBEPCCAHX5**]
 您好!客服 我想查一下这台现代IX35车子左侧..北京现代IX35 2011 G4KD 2.0L [LBELMBKBXB**]
 北京现代瑞纳发动机舱保险丝盒电路图..北京现代瑞纳 2020 G4LC [LBECBACB9L**]
 双离合器拆装手册..北京现代第九代索纳塔1.6TGDI 双离合 GS 时尚型 2015 G4FJ(1.6) [LBELFAFC6F**]
 找2009 年 北京现代 悦动 自动挡 发动机型号是..北京现代悦动 2009 G4FC [LBHDAFB09Y**]

Copyright @ 2009 www.car388.com All rights reserved. 蜀ICP备12014226号-2 增值电信增值业务许可证:川B2-20190647 服务电话:028-87038205 87039205 87020205 川公网安备 51010502010015号 公司地址:成都市龙泉驿区经开区南二路309号 鼎峰动力港 企业办公总部基地 12栋
2025-01-15.-.V25VHTML-2025-V18-11-5---2-