[返回列表.]    [免费下载畅易手机版APP ]

用户 俊翔 **当前提问:07年奇瑞瑞虎T11中控锁 遥控器的电路

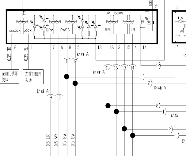
07年奇瑞瑞虎T11中控锁 遥控器的电路图

.尊敬的用户,欢迎你使用在线客服,抱歉资料库里没有07年T11资料。客服处理了相近年款资料参考,你的问题客服人员已为你处理完毕,请下载附件,如有疑问,欢迎和我们联系!奇瑞瑞虎T11中控电路图.

附件:43051339293488.rar


用户 俊翔 ***其他客服问题:
test:
  前保险杠线束 喇叭电路图 室外温度传感器电.. 英菲尼迪英菲尼迪Q50L16-274A
  林肯MKZ全车电路图资料.. 埃莫西约工厂林肯MKZ14- N [3LN6L2GN6F** ]
  06年保时捷卡宴保险丝分配图.. 06年卡宴06-3.2[WP1AA29P16** ]
  全车线路.. 雷达汽车RD6410km 科创版2023-TZ184XY180(电动机)(电动)[LA71CUG36P** ]
  里程表传感器电路.. 现代新胜达2007-G6EA[KMHSH81D77** ]
  充电部分的电路图,平台上的对不上.. 长安 奔奔MINI-E 2017-1[LS5A3BJC7J** ]
以下是奇瑞相关车型的客服问题,希望对您有帮助
 麻烦给找一下开瑞优优纯电动面包电池包内部..奇瑞开瑞优优 18 无 [无**]
 奇瑞EQ电路图..奇瑞汽车EQ 15 电机 [LVVDB17B1F**]
 我要的是电机控制器低压电路图不是充电机电..奇瑞eq1小蚂蚁 2017 1 [LVVDG17B1H**]
 发动机正时该怎么对..奇瑞瑞虎 2008 SQR481FL
 奇瑞QQ6发动机电脑端子定义或者电路图,马瑞..奇瑞QQ6 07年 472
 开瑞k60ev电池低压接口针脚定义..奇瑞开瑞k60 2023 电车
 4位防盗密码..奇瑞汽车瑞虎31.6 手动 百万全球版 2018 SQRE4G16(1.6) [LVVDB11B9L**]
 无2011年奇瑞旗云1的车窗电路图..奇瑞旗云1 2011.11 SQR371F [LVVDC12A2B**]
 来一份油门踏板 节气门 跟发动机电脑的线路..奇瑞风云2 MT 两箱 2016 SQR477F 1.5
 发动机正时链如何安装?..奇瑞A3 2010.09 SQRE4G16
 奇瑞A5电路图..奇瑞奇瑞A5 2007 SQR481F
 水泵线路图和针脚定义..奇瑞捷途x70 2019 SQRE4T15B [LVUDB21B3K**]

Copyright @ 2009 www.car388.com All rights reserved. 蜀ICP备12014226号-2 增值电信增值业务许可证:川B2-20190647 服务电话:028-87038205 87039205 87020205 川公网安备 51010502010015号 公司地址:成都市龙泉驿区经开区南二路309号 鼎峰动力港 企业办公总部基地 12栋
2025-01-15.-.V25VHTML-2025-V18-11-5---2-