[返回列表.]    [免费下载畅易手机版APP ]

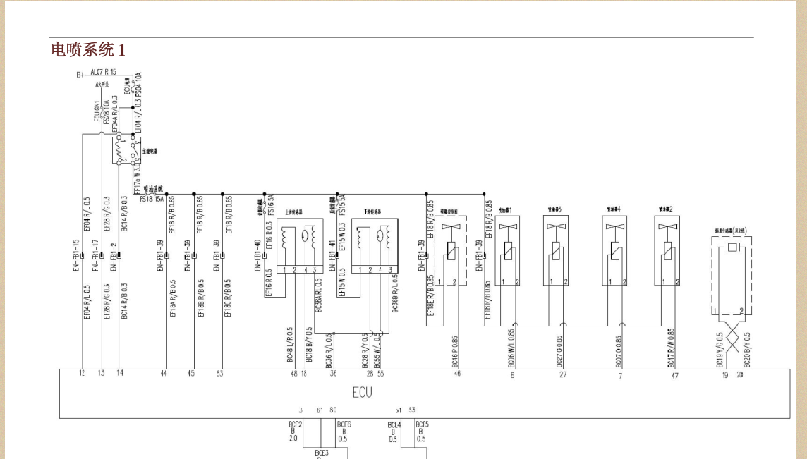
用户 shddhxs **当前提问:风行景逸1.8T发动机电路图。谢谢!

风行景逸1.8T发动机电路图。谢谢!

.

用户您好,客服传的是18K4G的电路图,请下载

2009年景逸发动机电路图

 

附件:6297137979613.rar


用户 shddhxs ***其他客服问题:
  你好!帮我找一下电源模块(IPDM)的电路图。谢.. 日产GTR09款-电源管理系统
  求车身模块系统电路图.. 日产GTR09款-无钥匙启动
  ABS电路图。谢谢!.. 日产GTR09年-ABS
  空调、灯光线路图、保险丝图解.. 欧宝雅特2009-1.8[W0LAH5218A** ]
  ABS电路图。资料库里没有。谢谢!.. 日产天籁2010-ABS
  自动变速箱电路图、谢谢!.. 本田阿库拉98年-[JH4UA2649W** ]
以下是东风相关车型的客服问题,希望对您有帮助
 发动机电脑电路图..东风日产 蓝鸟 2016 HR16DE [LGBH72E03G**]
 东风风光580别处维修前机盖显示打开状态,请..东风风光580 2018 SFG15T [LVZA53P98J**]
 空调时有时无。功能说明,电路图..东风标志3008 2014 10FJBZ PSA5F06 [LDCT81140E**]
 您好,科雷嘉的电路图怎么没有,需要2018款..东风雷诺科雷嘉 2018 M5R [LHMA4DGN0J**]
 发动机电路图..东风本田竞锐 2017 L15B5 [LVHGJ8822H**]
 全新爱丽舍发动机电路图..东风雪铁龙全新爱丽舍 2015 1.6L
 发动机线路图详解最好有文字标注,保险丝和..东风雪铁龙爱丽舍 2010 N6A10FX3APSA [LD703L22A1**]
 智跑全车电路图平台里的放不大,太小看不清..东风悦达起亚智跑 2012 G4NA [LJDJAA144C**]
 2012年东风标致408正时对法 2.0 排量..东风标致408 2012 11111
 东风日产骐达鼓风机线路图..东风日产骐达 2007 PR [LGBG22E047**]
 空调线路图..东风风光360 2014 11 4A91S [LVZA43P98E**]
 东风雪铁龙凯旋07年维修手册..东风雪铁龙凯旋 07 9006605 [LDCC43X337**]

Copyright @ 2009 www.car388.com All rights reserved. 蜀ICP备12014226号-2 增值电信增值业务许可证:川B2-20190647 服务电话:028-87038205 87039205 87020205 川公网安备 51010502010015号 公司地址:成都市龙泉驿区经开区南二路309号 鼎峰动力港 企业办公总部基地 12栋
1.-.V25VHTML-2025-