[返回列表.]    [免费下载畅易手机版APP ]

用户 15164221 **当前提问:卡罗拉档位开关电路图

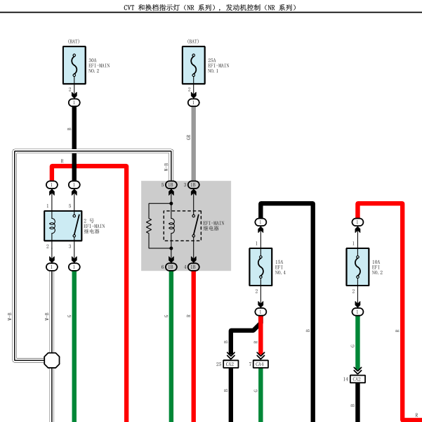
卡罗拉档位开关电路图

.尊敬的用户,欢迎你使用在线客服,你的问题客服人员已为你处理完毕,请下载附件,如有疑问,欢迎和我们联系!.2019年卡罗拉档位开关电路图

附件:93101382671554.rar

.尊敬的用户,欢迎您使用在线客服,您需要的资料已更新了全系统的电路图,请您直接进入畅易平台查询!查询方法:国内厂家 ->一汽丰田-卡罗拉(COROLLA) -2019-2020[ 线路图 ].一汽丰田-卡罗拉(COROLLA) -2019-2020[ 线路图 ]


用户 15164221 ***其他客服问题:
test:
  17年捷豹XFL机油压力塞管脚电路图.. 捷豹XFL17-2.0[akhlgalago** ]
  比亚迪宋MAX故障码P162F和P163B故障码引导.. 比亚迪宋MAX2017-1
  帮忙找一下驻车导向系统位置 在什么地方·.. 北京现代全新胜达201408-2.4
  风扇格栅电机电路图 三根线的.. 尼桑奇骏 2021-2.0[LGBM4AE49L** ]
  胎压监控模块在哪.. 克莱斯勒JEEP2013-G[1C4BJWEG0D** ]
  找一下空调温度传感器位置 故障码是B1107-15 .. 广汽菲克吉普自由光201801-M095[LWVCAE789J** ]
以下是丰田相关车型的客服问题,希望对您有帮助
 刹车灯开关线路图..丰田RAV4 10年2.4L 2AZ [LFMJW30F3A**]
 全车电路图中文版..丰田埃尔法 2010.10 2AZ [JTEGD21H5A**]
 15年丰田塞纳发动机ECU针脚图..丰田汽车Sienna [塞纳]3.5 手自一体 XLE Premium 四驱7座 美规版 2015 2GR-FE(3.5) [5TDDK3DC6F**]
 P0128诊断步骤 03SS..丰田赛利卡丰田赛利卡 2004 2ZZGE [jtddy32t44**]
 13年丰田FJ酷路泽空调压缩机继电器相关电路..丰田FJ酷路泽 2013 1GRFE 4.0L [JTEBU11FXE**]
 发动机,变速箱电路图,和整车通讯can,发一..丰田汉兰达 2012 3AR [LVGDC46A7D**]
 全车电路图中文版中文版要是太大就发邮箱172..丰田汉兰达 2008 2GR [JTEES42A58**]
 车身电脑供电打铁..丰田塞纳 22 A25D [LVGDD4A41N**]
 丰田卡罗拉2009 鼓风机电路图 空调面板AC电..中国卡罗拉 2009 1ZR [LFMAPE2C49**]
 分动箱电机的拆装资料,或请给下分动箱的所..丰田普拉多 2013 2tr [JTEBX3FJ1D**]
 原厂自动变速箱油是哪个型号..丰田汽车RX200t2.0T 手自一体 两驱精英版 2016 8AR-FTS(2.0) [JTJZAMCA8F**]
 车窗玻璃控制电路图..丰田普拉多XT 09年 2TR [JTEBX3FJ5B**]

Copyright @ 2009 www.car388.com All rights reserved. 蜀ICP备12014226号-2 增值电信增值业务许可证:川B2-20190647 服务电话:028-87038205 87039205 87020205 川公网安备 51010502010015号 公司地址:成都市龙泉驿区经开区南二路309号 鼎峰动力港 企业办公总部基地 12栋
2025-01-15.-.V25VHTML-2025-