[返回列表.]    [免费下载畅易手机版APP ]

用户 xiaokai **当前提问:06 宝马迷你 EWS 防盗模块电路图 软件

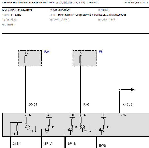
06 宝马迷你 EWS 防盗模块电路图 软件里的图 没有针脚号

.尊敬的用户,欢迎你使用在线客服,你的问题客服人员已为你处理完毕,请下载附件,如有疑问,欢迎和我们联系!2006年宝马迷你防盗模块电路图图和针脚.

附件:44771394108260.rar


用户 xiaokai ***其他客服问题:
test:
  德尔福MT22.1发动机电路图.. 中华HRVHRV2010-111[111** ]
  丰田2JZ发动机电脑针角定义.. 丰田丰田2004-aaa[aaaaa** ]
  威志v2发动机 电路图 电装发动机电脑 .. 威志V22010 -CA7137E4
  宝马03年 745 E65 刹车灯开关电路 两个节点X1179 .. 宝马74503-0000[0000** ]
以下是宝马相关车型的客服问题,希望对您有帮助
 变速箱电路图和插头代码定义..宝马730Li 2018 B48B20B [WBA7E0108J**]
 宝马525转向角度传感器位置图..宝马525 2017 N20B20C [L108DBZ54E**]
 变速箱控制单元位置图..宝马X5 06 3.0 [WBAFA11026**]
 宝马三系316LI (F35 N13)2015电路图 SS..宝马316LI 2015 0 [0**]
 ABS电路图..宝马E53 2005 3.0 [WBAFA110X6**]
 方向机的线路图..宝马320i 2019 B48B20C [LBV8A1408K**]
 查询一下这款车的偏心轴的固定螺丝扭矩及中..宝马Cooper Clubman 2011 N16B16A [WMWZF3107B**]
 发动机、起动、中控和玻璃升降电路图 03SS..宝马118I 2017 B38A15C [LBV2Y3107H**]
 宝马进气凸轮轴位置传感器的型号是哪个..宝马525li 2010 n652b25af [lbvfp3908b**]
 宝马320i n46 b20发动机vanos配气机构维修手册 ..宝马320i 08年 n46b20 [LBWG790X8S**]
 宝马X5座椅加热电路图..宝马X5 2016 N20 [0S72124**]
 宝马mini,2015款。维修手册。..宝马mini 2015 ······ [·····**]

Copyright @ 2009 www.car388.com All rights reserved. 蜀ICP备12014226号-2 增值电信增值业务许可证:川B2-20190647 服务电话:028-87038205 87039205 87020205 川公网安备 51010502010015号 公司地址:成都市龙泉驿区经开区南二路309号 鼎峰动力港 企业办公总部基地 12栋
2025-01-15.-.V25VHTML-2025-V18-11-5---2-