[返回列表.]    [免费下载畅易手机版APP ]

用户 付玉 **当前提问:通讯电路图,模块位置图,模块针脚图,

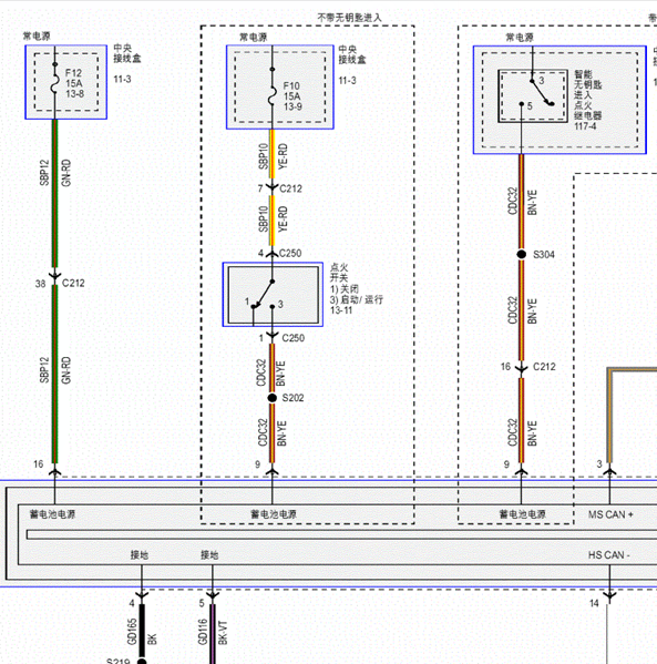
通讯电路图,模块位置图,模块针脚图,保险继电器说明,ABS电路图

.尊敬的用户,欢迎你使用在线客服,你的问题客服人员已为你处理完毕,请下载附件,如有疑问,欢迎和我们联系!.2017年翼博通讯电路图

附件:96961399734048.rar

你好,你发的ABS电路图不是这款车的,对不上号,在给查一下.全车网络通讯图,ABS电路图及针脚说明,

.尊敬的用户,欢迎你使用在线客服,请参考16年资料,你的问题客服人员已为你处理完毕,请下载附件,如有疑问,欢迎和我们联系!.

附件:53131399735372.rar

你好,这个ABS电路图也不对,这台车的跟福克斯15-16年ESP的基本一样,你参照那个图再找一下这台翼博的ABS电路图,全车通讯图,这台车ABS有时不通讯。

.尊敬的用户,欢迎你使用在线客服,非常抱歉相近年款的资料都已经发给您了,没有其他的了,给您带来不便,请谅解! .


用户 付玉 ***其他客服问题:
test:
  全车CAN通讯和LIN通讯电路图.. 奔驰B2002010.07-266960[WDDFH3DB5B** ]
  启动电路图,发动机电路图,油泵电路图,.. 北京奔驰GLK3002012.08-272 948[LE4GG8BBXC** ]
  奥迪A4L保险盒分布图或者保险盒说明A ,B,C,D,F.. 中国以前A4L11年10月22日-CDZ[LFV3A28K6B** ]
  点火开关电路图.. 中国通用GL8路尊2006.06-LZC[LSGUD82C26** ]
  保险盒位置保险丝说明和电路图.. 宝马120i2010.07-N46B20E[WBAUD3103A** ]
  换档模块报:P179A77 直接换档(DERECT SELEDT)备.. 奔驰不清楚2017.04-274 920[LB1WG3E14H** ]
以下是长安福特相关车型的客服问题,希望对您有帮助
 雨刮电路图..长安福特马自达马自达31.6 手动 标准版 2007 Z6(1.6) [LVSFDFMB89**]
 雨刷控制部分线路原理图及防盗控制原理图..长安福特蒙迪欧 2010 L3 [LVSHBFAF2A**]
 车身电脑电路图..长安福特福克斯 2010-3 caf483q0 [LVSHCAME1B**]
 空调压缩机线路图..长安福特马自达麦柯斯S-MAX2.3 手自一体 7座豪华型天窗版 2009 L3(2.3) [LVSHFSAF2C**]
 空调面板线路图..长安福特福特嘉年华 2009-07 ZY [LVSHFFML09**]
 10年福克斯发动机电路图及电脑端子图..长安福特福克斯 2010 CAF483Q0 1.8升
 蒙迪欧致胜发动机大修数据和大小瓦螺丝拧紧..长安福特蒙迪欧致胜 2012年7月 CAF488WQO [LVSHBFDC1C**]
 16年翼虎仪表线路图..长安福特翼虎 2016-11 CAF479WQ1 [LVSHJCAL2G**]
 要风扇电路01SS..长安福特蒙迪欧 致胜 2009 2.3L L3 [LVSHBFAF89**]
 蒙迪欧2.5排量V6的发动机维修手册..长安福特蒙迪欧 2005 蒙迪欧
 11款蒙迪欧致胜,CAN通讯网络电路图..长安福特蒙迪欧致胜 2010.12 L3 [LVSHBFAF6A**]
 这个车BCM保险盒,那些插头的针脚图 ,这个..长安福特经典福克斯-两厢1.8 手自一体 基本型 2013 CAF483Q0(1.8) [LVSFCAAE1E**]

Copyright @ 2009 www.car388.com All rights reserved. 蜀ICP备12014226号-2 增值电信增值业务许可证:川B2-20190647 服务电话:028-87038205 87039205 87020205 川公网安备 51010502010015号 公司地址:成都市龙泉驿区经开区南二路309号 鼎峰动力港 企业办公总部基地 12栋
2025-01-15.-.V25VHTML-2025-