[返回列表.]    [免费下载畅易手机版APP ]

用户 13758439 **当前提问:比亚迪宋DM全车供电电路图 给右后保

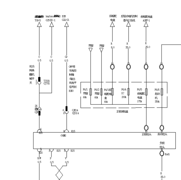
比亚迪宋DM全车供电电路图 给右后保险丝供电部分尤为重要

.尊敬的用户,欢迎你使用在线客服,你的问题客服人员已为你处理完毕,请下载附件,如有疑问,欢迎和我们联系!2018年比亚迪宋DM全车供电电路图.

附件:99511431971814.zip

.尊敬的用户,欢迎您使用在线客服,您需要的资料已更新了全系统的电路图 ,请您直接进入畅易平台查询!查询方法:国内厂家 ->比亚迪-宋DM-2018-2019[ 线路图 ].比亚迪-宋DM-2018-2019[ 线路图 ]


用户 13758439 ***其他客服问题:
test:
  帮我查下丰田卡罗拉2020年1月组合仪表电路图.. 一汽丰田卡罗拉2020年01月-8NR[LFMAXACCXL** ]
  2011年花冠 ,发动机电脑,仪表,转向助力 ,.. 丰田花冠2011-123
  发电机温度传感器辅助蓄电池 位置图 电路图.. 丰田雷凌混合动力2017.07-8ZR[LVGBY80EXH** ]
  进口三菱2014欧蓝德 2.4L电路图,维修手册.. 三菱欧蓝德2014-4J12[JE3AZ6934E** ]
  2006年宝马OBD诊断图(一代OBD).. 宝马325i2006-df
  玻璃升降器电路图.. 荣威ei52018.07-TZ204XS85K02[LSJE24060J** ]
以下是BYD相关车型的客服问题,希望对您有帮助
 自动变速箱电路图一份..BYD比亚迪M6 2013
 空调面板到空调模块电路图..BYD宋DM 2018 BYD476ZQA [LGXCD4C32J**]
 车身电脑端子定义..BYDf3 13 473QE [.**]
 比亚迪DM充电系统线路图 ,全车线路图..BYD比亚迪DM 2014 混动
 整车控制器VCU模块插头针脚定义和电路图..比亚迪宋DM 2018 BYD476ZQA [LGXCD4C32J**]
 故障码P1642,P164B是什么..BYD宋 2016 476ZQA [LGXCG4DF7G**]
 变速箱换挡电磁阀电路图..BYD比亚迪唐 2015 BYD487ZQA [LC0C34DG2J**]
 变速箱电脑油泵线路图..BYDF3R 13 BYD473QE [LGXCG6DF2J**]
 16款比亚迪宋发动机电脑板针脚定义图..BYD比亚迪 16款 BYD476ZQA [LGXC14DF9G**]
 发动机电路图和网络的..BYD宋 DM 2018 BYD476ZQA [LGXCD4C31J**]
 前电机控制器电路图 CAN网络电路图..比亚迪宋DM宋DM 2017 BYD476ZQA [LGXCD4D30J**]
 节气门端线路图..BYD元 2016 BYD473QE [LC0C14DF2G**]

Copyright @ 2009 www.car388.com All rights reserved. 蜀ICP备12014226号-2 增值电信增值业务许可证:川B2-20190647 服务电话:028-87038205 87039205 87020205 川公网安备 51010502010015号 公司地址:成都市龙泉驿区经开区南二路309号 鼎峰动力港 企业办公总部基地 12栋
2025-01-15.-.V25VHTML-2025-