[返回列表.]    [免费下载畅易手机版APP ]

用户 鸿日 **当前提问:门碰开关电路图

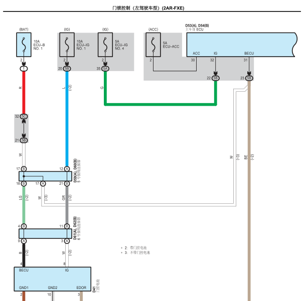
门碰开关电路图

.尊敬的用户,欢迎你使用在线客服,你的问题客服人员已为你处理完毕,请下载附件,如有疑问,欢迎和我们联系!2020年凌志LM300H门锁电路图.

附件:15341473224519.zip

.尊敬的用户,欢迎您使用在线客服,您需要的资料已更新了全系统的电路图,请您直接进入畅易平台查询!查询方法:国外厂家 ->Lexus(凌志-雷克萨斯)-LM300h-2020[ 线路图 ].Lexus(凌志-雷克萨斯)-LM300h-2020[ 线路图 ]


用户 鸿日 ***其他客服问题:
test:
  全车电路图.. 起亚全新嘉华19-V6[KNHMF372BK** ]
  BCM,上F49这个保险丝的电路图.. 通用汽车Escalade [凯雷德]6.2 手自一体2022-L87(6.2)[1GYS48KL2M** ]
  要一个2021年丰田奔跑者海拉克斯气囊电路图.. 2021.08·丰田2021-ewgew[MR0BA3FS50** ]
  帕萨特领驭车身舒适电脑模块双绞CAN线到主驾.. 上汽大众帕萨特领驭2005-BGC[LSVDL29F47** ]
  05年丰田霸道维修手册.. 一汽丰田霸道2005-1GR[LCUBU29J65** ]
  碰撞预测2模块位置图.. 丰田埃尔法混动16-2AR-FXE[AYH30-0042** ]
以下是雷克萨斯相关车型的客服问题,希望对您有帮助
 空气流量计 线路图 多借..雷克萨斯GS430雷克萨斯GS430 2006 3UZFE [模糊看**]
 雷克萨斯IS200 03年 后视镜调整开关电路图..雷克萨斯IS200 2003 1GE [JTDBS19240**]
 尾门锁块线路图..雷克萨斯GS300 2003 2JZJSG000193776 [JT153**]
 全车电路图..雷克萨斯ES300H 2014 2AR
 雷克萨斯IS300水箱散热风扇的电路图 02SS..雷克萨斯IS300 2008 3GR-FE [JTHBG26218**]
 后尾箱电源开关控制线束线路图..雷克萨斯gs300 2005年6月 3GR [JTHBG96S76**]
 卓越版的娱乐主机线束针脚定义..雷克萨斯ES300 2022 A25b [JTHB71B11P**]
 尾门举升线路图..雷克萨斯RX270 2013 1 [JTJZA11A3D**]
 雷克萨斯ES300H电话扩音器拆卸..雷克萨斯ES300H 2018 1
 请教一下,雷克萨斯ES350 的保养灯归零该如何..雷克萨斯ES350 2007-2011
 主驾驶主开关控制线路图..雷克萨斯RX300 2016 8AR [JTJZAMCA8K**]
 雷克萨斯LX600手刹学习..雷克萨斯LX600 2022 JVA310 [JTJPB7CXXN**]

Copyright @ 2009 www.car388.com All rights reserved. 蜀ICP备12014226号-2 增值电信增值业务许可证:川B2-20190647 服务电话:028-87038205 87039205 87020205 川公网安备 51010502010015号 公司地址:成都市龙泉驿区经开区南二路309号 鼎峰动力港 企业办公总部基地 12栋
2025-01-15.-.V25VHTML-2025-V18-11-5---2-