[返回列表.]    [免费下载畅易手机版APP ]

用户 粤宝 **当前提问:变速箱电路图,和LIN线扩卜图,主动

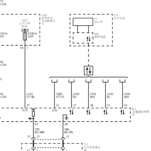
变速箱电路图,和LIN线扩卜图,主动格栅风门电路图

.尊敬的用户,欢迎你使用在线客服,你的问题客服人员已为你处理完毕,请下载附件,如有疑问,欢迎和我们联系!.2020年凯迪拉克XT5变速箱电路图

附件:53521484139706.zip

.尊敬的用户,欢迎你使用在线客服,你需要的资料在《畅易汽车维修技术支持平台》是有的,请直接登陆查询!查询方法:国内厂家 -> 上海凯迪拉克-XT5-2020[ 维修手册/诊断 /电路图 ] -> 变速器 ->自动变速器一9T45/9T50/9T60/9T65 ->示意图和布线图.2020年上海凯迪拉克-XT5 变速箱电路图

.尊敬的用户,欢迎你使用在线客服,你需要的资料在《畅易汽车维修技术支持平台》是有的,请直接登陆查询!查询方法:国内厂家 -> 上海凯迪拉克-XT5-2020[ 维修手册/诊断 /电路图 ] -> 电源和信号分布 ->数据通信 ->示意图和布线图.2020年上海凯迪拉克-XT5 LIN线电路图

.尊敬的用户,欢迎你使用在线客服,你需要的资料在《畅易汽车维修技术支持平台》是有的,请直接登陆查询!查询方法:国内厂家 -> 上海凯迪拉克-XT5-2020[ 维修手册/诊断 /电路图 ] -> 车身修理 -> 保险杠和蒙皮 ->示意图和布线图 -> 主动格栅空气闸板示意图.2020年上海凯迪拉克-XT5 主动格栅风门电路图


用户 粤宝 ***其他客服问题:
test:
  天窗开关线路图 我看平台上都是每个开关俩.. 雪佛兰创酷2016-LFF[LSGJM82J0G** ]
  高压系统电路图,和网络扩卜图.. 沃尔沃s602016-b420t32[LYVGBLA5GB** ]
  帮我找一下麦克斯油门踏板线路图,2.3排量, .. 福特麦克斯S-MAX2007-Duratec-HE[LVSFFSAF57** ]
  2011款雅阁全车电路图,这里面的不对.. 本田雅阁2011.07-R20A3[LHGCP1680B** ]
  06年大众捷达全车电路图.. 大众捷达2006.04.19-BJG[LFV2A11G56** ]
  需要一份仪表电源线路图.. 北汽威旺2016-4A91T[LNBMCUAH5G** ]
以下是上海通用相关车型的客服问题,希望对您有帮助
 燃油蒸汽排放系统-通风控制的电路图..上海通用别克 2019-05 LIY [LSGKE5417K**]
 点火开关电路图..上海通用别克 2010 lzc [lsgud92c2a**]
 起动机电路图..上海通用东岳汽车有限公司雪佛兰 2015 LEW [LSGHD5282F**]
 别克君越15年得车电路图里接头组件连接器端..上海通用别克君越 2015 LFA
 空挡驻车开关位置图片。..上海通用赛欧31.3 序列变速 理想版 2015 LEW(1.3) [LSGHD5289F**]
 点火线圈线路图 供电..上海通用别克英朗 2012 LDE [LSGPB54U6E**]
 10年新景程油泵控制电路..上海通用雪佛兰雪佛兰景程 10年11月 2HO [LSGVA54R2B**]
 14年别克陆尊网关电脑模块线路图..上海通用别克陆尊 2014 2.4
 仪表保险线路图..上海通用轿车 09.10 F16D3 [LSGJA52U79**]
 别克君越人机交互系统的电路图..上海通用君越 2013 laf [LSGGF53W1E**]
 来一份五菱之光的全车电路图,谢谢..上海通用五菱五菱之光 2012 柳州 [LZWACAGA3B**]
 发动机LIN线图无法显示..上海通用科鲁泽 2020年5月 LIY [LSGKB5417M**]

Copyright @ 2009 www.car388.com All rights reserved. 蜀ICP备12014226号-2 增值电信增值业务许可证:川B2-20190647 服务电话:028-87038205 87039205 87020205 川公网安备 51010502010015号 公司地址:成都市龙泉驿区经开区南二路309号 鼎峰动力港 企业办公总部基地 12栋
2025-01-15.-.V25VHTML-2025-