[返回列表.]    [免费下载畅易手机版APP ]

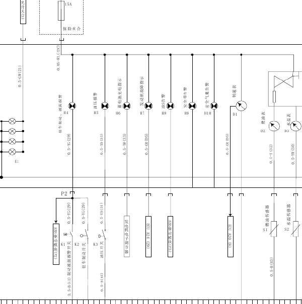
用户 18666089 **当前提问:水温表的电路图和风扇控制电路图

水温表的电路图和风扇控制电路图

还有发动机电脑的针脚定义图

.尊敬的用户,欢迎你使用在线客服,你的问题客服人员已为你处理完毕,请下载附件,如有疑问,欢迎和我们联系!2012年五菱之光仪表电路图.

附件:64431490328512.rar

已评价:5星好评


用户 18666089 ***其他客服问题:
test:
  转向灯电路图和危险警告灯电路图.. 长安长安之星2010/3/14-JL465QE[LS4AAB3D7A** ]
  近、远光灯控制电路图.. 长安汽车星光1.0 手动2010-JL465QE(1.0)[LS4BCB3D8A** ]
  电子助力电路图,针脚定义图, 发动机电脑针.. 北汽威旺M302016年-DAM15DL[LNBMDLAA0G** ]
  后备箱锁块控制电路图.. 奇瑞风云22013年-SQR477F[LVVDA11B8D** ]
  暖风控制电路.. 吉利GX72014年11-JL4G18[LB37742S2E** ]
  发动机启动电路图.. 北京威旺M3016年3月-DAM15DL[LNBMDLAA0G** ]
以下是五菱相关车型的客服问题,希望对您有帮助
 五菱荣光电脑板针脚..五菱荣光 12年 LAQ [lzwcbaga5c**]
 五菱征程全车电路图..五菱征程 16 B15
 发动机电脑针脚图和线路图..五菱五菱荣光小卡 2020年 L3C [LZWCAAGA9L**]
 发动机电脑版针脚定图..五菱LZW1029PY 2017-03 L3G [LZWDAAGA3H**]
 没有这种车型的发动机线路图..五菱五菱荣光 2009年10月 LAQ
 资料上的不对 我的这个方向机是8根线的 方向..五菱荣光新卡 2019 LJ479Q6 [LZWDBAGB8M**]
 五菱之光 10 年 全车线路图 麻烦了..五菱五菱之光 2010 LJ465Q3E2
 这个车的自动变速箱电路维修资料资料..五菱上汽通用五菱宏光 2014 1 [LZWADAGA0E**]
 全车线路图..五菱五菱兴旺 2006 LJ462QE1 [LZWACAGA36**]
 发动机电脑版针脚图要清晰的。..五菱宏光五菱宏光 2015/10 LMH [LZWADAGAXF**]
 发个线路图..五菱兴旺 2008 465
 P003C00 故障码定义处理方法..五菱宏光 2020 1 [LZWCDAGA5L**]

Copyright @ 2009 www.car388.com All rights reserved. 蜀ICP备12014226号-2 增值电信增值业务许可证:川B2-20190647 服务电话:028-87038205 87039205 87020205 川公网安备 51010502010015号 公司地址:成都市龙泉驿区经开区南二路309号 鼎峰动力港 企业办公总部基地 12栋
2025-01-15.-.V25VHTML-2025-V18-11-5---2-