[返回列表.]    [免费下载畅易手机版APP ]

用户 15040594 **当前提问:ABS电路图

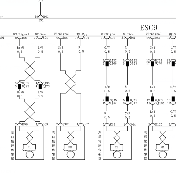
ABS电路图

.尊敬的用户,欢迎你使用在线客服,抱歉没有单独的ABS电路图,客服处理了相关电路图资料参考,你的问题客服人员已为你处理完毕,请下载附件,如有疑问,欢迎和我们联系!.2016年比亚迪唐电子稳定系统电路图

附件:14791502597437.rar

已评价:5星好评

.尊敬的用户,欢迎您使用在线客服,您需要的资料已更新了全系统的电路图,请您直接进入畅易平台查询!查询方法:国内厂家 ->比亚迪-唐-2016[ 线路图 ].比亚迪-唐-2016[ 线路图 ]


用户 15040594 ***其他客服问题:
test:
  奇瑞A516转向灯电路图,仪表他通讯电路图.. 奇瑞A5162009-A516[LVVDC11BX9** ]
  科鲁泽大灯电路图.. 雪佛兰科鲁泽2019-LIY[LSGKB5419K** ]
  2019年广汽汉兰达智能钥匙控制器电路图.. 广汽丰田汉兰达2019年-2.0T[LVGEN356A6** ]
  VVT轮中心镙丝拧紧力矩.. 长安cs952017-1[LS4ASE2A3H** ]
  2011年北京现代伊兰特,1.6L发动机空调电路图.. 北京现代伊兰特2011-1.6LVVT[LBEXDAEB6B** ]
  有没有这个车的保险丝位置说明·和继电器说.. 菲亚特PLiao05-188a5000[LNPFPEBC95** ]
以下是比亚迪相关车型的客服问题,希望对您有帮助
 比亚迪S7左前车窗电路图资料里的电路图不对..比亚迪S7 2015 1.5T [LC0C14CF9F**]
 电路图..比亚迪F0 2012 1.0
 防盗系统控制电路图给一个..比亚迪f3 2012 BYD473QE [LGXC16F301**]
 比亚迪S7发动机电路图和发动机电脑端子图..比亚迪S7 2016 487 [lc0Cg9g102**]
 网关通讯系统电路图..比亚迪L3 2011 BYD473QB [LGXC16DF3B**]
 LGXCE4CC5P0525046 比亚迪海鸥多煤体或音响功放的..比亚迪海鸥 23 3L3046369 [LGXCE4CC5P**]
 比亚迪F0车身控制系统电路图..比亚迪F0 13.01 BYD371QA [LGXC14AAXD**]
 2015年比亚迪K9F电动大巴维修手册..比亚迪K9F 2015 000 [000**]
 这个车四轮定位数据..比亚迪 汉 2022 1 [LC0CF6CD0N**]
 怠速有时会游车,游车的时候开空调还会熄火..比亚迪F3 2008 4G54
 音响电路图..比亚迪汽车S72.0TID 双离合 旗舰型 2016 BYD487ZQA(2.0) [LC0CG4CG9G**]
 比亚迪思锐仪表端子图..比亚迪思锐 13 BYD476ZQA [LGXCG6CF6D**]

Copyright @ 2009 www.car388.com All rights reserved. 蜀ICP备12014226号-2 增值电信增值业务许可证:川B2-20190647 服务电话:028-87038205 87039205 87020205 川公网安备 51010502010015号 公司地址:成都市龙泉驿区经开区南二路309号 鼎峰动力港 企业办公总部基地 12栋
2025-01-15.-.V25VHTML-2025-V18-11-5---2-