[返回列表.]    [免费下载畅易手机版APP ]

用户 13783783 **当前提问:需要2019年11月炫威(XR-V)变速箱电控

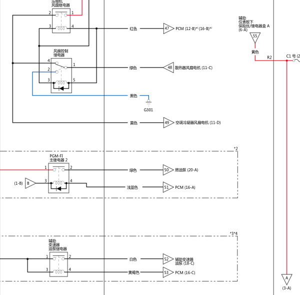
需要2019年11月炫威(XR-V)变速箱电控,电路图,辅助变速箱油泵控制电路

.尊敬的用户,欢迎你使用在线客服,你的问题客服人员已为你处理完毕,请下载附件,如有疑问,欢迎和我们联系!.2020XRV变速箱电路图

附件:93221509684997.zip

没有变速箱辅助油泵的电路图,请帮助查找

.尊敬的用户,欢迎你使用在线客服,你的问题客服人员已为你处理完毕,请下载附件,如有疑问,欢迎和我们联系!.2019XRV辅助变速箱油泵电路图

附件:98121509682151.rar

.尊敬的用户,欢迎你使用在线客服,你需要的资料在《畅易汽车维修技术支持平台》是有的,请直接登陆查询!查询方法:国内厂家 -> 东风本田-XRV-2019[ 线路图 ] - >配电.2019年东风本田-XRV 辅助变速箱油泵电路图


用户 13783783 ***其他客服问题:
test:
  BCM-J519针脚定义,转向灯电路图.. 大众波罗2012-1[LSVFA46R2C** ]
  需要标志307电路图和线路图.. 东风标志3072010-1.6[LDC933L3XA** ]
  空调控制,显示器,电路图,插件位置,针脚.. 日产天籁2011- VQ25DE [LGBF1DE07B** ]
  汉腾离合器维修手册.. 汉腾X72016-1[LK5A1C1K5G** ]
  资料查询,维修手册和电路图.. 一汽丰田Rav42020.6-M20D[LFMJN5BL7F** ]
以下是东风本田相关车型的客服问题,希望对您有帮助
 本田杰德无钥匙进入电路图..东风本田杰德1.8 自动 舒适精英版5座 2016 R18Z6(1.8) [LVHFR1820G**]
 风本田思域DC-DC转换器位置图..东风本田思域 2016年12 L15B8 [LVHFC1668G**]
 发动机电脑针脚图 详细一点 谢谢..东风本田CRV 2017 L15BL [LVHRW1812J**]
 网关安装位置,全车电脑CAN线联网图·网关和A..东风本田CRV 2019 L15BL [LVHRW1867K**]
 本田竞瑞方向助力电路图 全车通讯电路图..东风本田汽车有限公司本田竞瑞 19年5月 L15B5 [LVHGJ8821K**]
 请提供此车的MICU(多路控制)端子说明..东风本田CRV 2008 K24Z1 [lvhre48918**]
 09年CRV气囊电脑电路图..东风本田CRV 09年 R20A1 [LVHRE28509**]
 本田CRV ABS泵电机继电器位置,还有电路图..东风本田CRV 2012 R20A7 2.0L [LVHRM2833C**]
 需要个URV Q全车CAN网络 通讯电路图..东风本田URV 2018 L15BD [LVHTG4817J**]
 发动机电脑针脚定义..东风本田CRV 2016 R20A7 [LVHRM1826G**]
 你好,保养放油螺丝,机油滤芯力矩。谢谢..东风本田思域Hatchback1.5T 手动 220TURBO 驾趣控 2021 L15B8(1.5) [LVHFK7794M**]
 倒车雷达控制模块在哪..东风本田汽车有限公司思域 2017年3月 L15B8 [LVHFC156XG**]

Copyright @ 2009 www.car388.com All rights reserved. 蜀ICP备12014226号-2 增值电信增值业务许可证:川B2-20190647 服务电话:028-87038205 87039205 87020205 川公网安备 51010502010015号 公司地址:成都市龙泉驿区经开区南二路309号 鼎峰动力港 企业办公总部基地 12栋
2025-01-14.-.V25VHTML-2025-V18-11-5---2-