[返回列表.]    [免费下载畅易手机版APP ]

用户 惠成 **当前提问:11年英菲尼迪G37风扇控制电路图

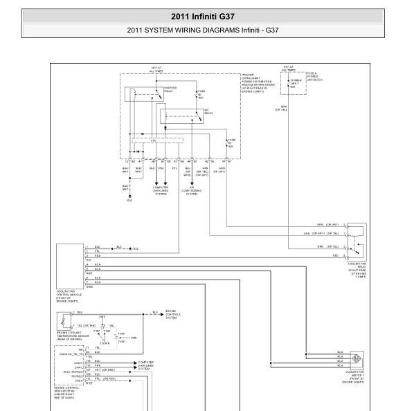
11年英菲尼迪G37风扇控制电路图

.尊敬的用户,欢迎你使用在线客服,你的问题客服人员已为你处理完毕,请下载附件,如有疑问,欢迎和我们联系!2011年英菲尼迪G37风扇控制电路图.

附件:58251511541433.zip


用户 惠成 ***其他客服问题:
test:
  沃尔沃xc60防碰撞传感器位置图.. 沃尔沃xc6015- [LV1DZ4750F** ]
  仪表针脚定义.. 沃尔沃S802004-B5244S[YV1TS61S93** ]
  空气悬挂系统原件位置图和管路图.. 路虎发现306-4.4L[SALAG25426** ]
  报U012987 故障码 这车AEB在哪 有这故障码含.. 长城H6 酷派2017-1.5
  17年迈腾B8 主驾驶副驾驶倒车镜 电路图.. 大众迈腾B82017 02 21 -CUF[LFV3A23C2H** ]
以下是英菲尼迪相关车型的客服问题,希望对您有帮助
 英菲尼迪fx35变速箱和胎压系统的电路图和拆..英菲尼迪FX35 1 1 [JNKAS05F87**]
 08年英菲尼迪QX56底升电路图和元器件位置..英菲尼迪英菲尼迪QX56 2008年3月 123 [5N3AA08C88**]
 维修手册跟电路图..英菲尼迪QX50 20 KR20 [LGBW2PE42L**]
 英菲尼迪Q70门锁电机电路图..英菲尼迪Q70 2014 VQ25
 麻烦在要一个G37 -Sedan 点火继电器电路图..英菲尼迪2009 2009 VQ37 [JNKCV61E79**]
 发动机正时和扭矩 03SS..英菲尼迪G35 2008 VQ35 [.**]
 发动机附件分解图..英菲尼迪QX60 2015 QR25 [5N1CL0MN1E**]
 英菲尼迪QX50的电路图找不到..英菲尼迪英菲尼迪QX50 2017年7月 VQ25 [LGNW2DE49H**]
 室内保险盒示意图及解释 ..英菲尼迪q50l 2017.11 274A 2.0L [LGBW1PE09H**]
 变速箱 和 ABS 电路图..英菲尼迪Q50L 2017 2.0L
 刹车灯电路图..英菲尼迪 FX35 2010 VQ35HR [JNKAS15F3A**]
 英菲尼迪Q70车窗,前大灯的电路图..英菲尼迪Q70 2019 274A [JNKGY11E3J**]

Copyright @ 2009 www.car388.com All rights reserved. 蜀ICP备12014226号-2 增值电信增值业务许可证:川B2-20190647 服务电话:028-87038205 87039205 87020205 川公网安备 51010502010015号 公司地址:成都市龙泉驿区经开区南二路309号 鼎峰动力港 企业办公总部基地 12栋
2025-01-14.-.V25VHTML-2025-