[返回列表.]    [免费下载畅易手机版APP ]

用户 ysf72011 **当前提问:智能启动系统电路图

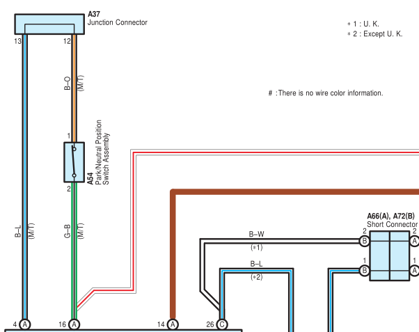
智能启动系统电路图

.尊敬的用户,欢迎你使用在线客服,你的问题客服人员已为你处理完毕,请下载附件,如有疑问,欢迎和我们联系!.12年丰田86智能钥匙电路图

附件:5675816657416.rar

.尊敬的用户,欢迎你使用在线客服,你需要的资料在《畅易汽车维修技术支持平台》是有的,请直接登陆查询!查询方法:国外厂家 -> Toyota(丰田)-丰 田86-2013[ 线路图 ] - > 总体电路图 ->发动机停机系统(带上车和起动系统)、上车和起动系统、起动(带上车和起动系统)、转向锁止(带上车和起动系统)和遥控门锁控制(带上车和起动系统) .2013年丰 田86 启动电路图


用户 ysf72011 ***其他客服问题:
  车身模块线路图,防盗线路图,发动机电脑版.. 上海通用,君越2006-LE5[LSGWT52X26** ]
  网关模块位置,网关电路图,ABS电路图,手动.. 上海大众朗逸2018---2-CSR[LSVNA4182J** ]
  转向灯线路图,中控锁线路图,后尾箱开关线.. 中国一汽,马自达睿翼2012-LF[LFPM4ADP0C** ]
  发动机各部件螺丝扭矩.. 长城哈弗H62017-GW4G15B[LGWEF4A57H** ]
  10年波罗1.6车子的全车电路图.. 大众波罗2010.07-CDE
  手动空调电路图,手动挡车型.. 一汽大众高尔夫2003-2.0–4气门[LFVBB11J23** ]
以下是丰田相关车型的客服问题,希望对您有帮助
 主驾驶保险丝盒定义..丰田皇冠 2006 1 [1**]
 2011款丰田普拉多2700,阀体的工作原理,阀体..丰田(TOYOAT)TRJ150L-GKPEKV3 2011年02月 2JR [JTEBX3FJ2B**]
 卡罗拉一键启动 ,启动马达继电器原理图哪..丰田卡罗拉 2020 9nr [LFMAYACC2L**]
 全车维修手册电路图 水淹了..丰田坦途 2014 5.7
 要这台车CD机的尾线接线图,针脚定义..丰田Land Cruiser [兰德酷路泽] 2009 3UR-FE [JTMHY05J1 **]
 一键启动按键电路图找不到呢..丰田RAV4 2016 6ZR-FAE [LFMK44AF4G**]
 需要2008丰田汉兰达 2GR 3.5L发动机正时图,维..丰田汉兰达 2008 2GR
 06年普拉多1GR,4.0的发动机维修手册..丰田普拉多 2006 00000 [00000**]
 发动机,变速箱,4轮驱动维修手册,和线路..丰田酷路泽 09 URJ200L [JTMHY05J49**]
 我需要霸道的遥控防盗设置s..丰田霸道 2000-2012
 四驱开关电路图..丰田普拉多 2016 2.7 [LFMGTE725H**]
 差速器电机针脚图..丰田红杉 08 SDFDF

Copyright @ 2009 www.car388.com All rights reserved. 蜀ICP备12014226号-2 增值电信增值业务许可证:川B2-20190647 服务电话:028-87038205 87039205 87020205 川公网安备 51010502010015号 公司地址:成都市龙泉驿区经开区南二路309号 鼎峰动力港 企业办公总部基地 12栋
2025-05-28.-.V28**VHTML-2025-V18-11-5---2-