[返回列表.]    [免费下载畅易手机版APP ]

用户 贵州 **当前提问:变速箱线路图

变速箱线路图

.尊敬的用户,欢迎你使用在线客服,抱歉资料库里没有14年的资料,客服处理了其他年款的资料参考,请下载附件,如有疑问,欢迎和我们联系!.12年柯兰多变速箱线路图

附件:14381186589248.zip

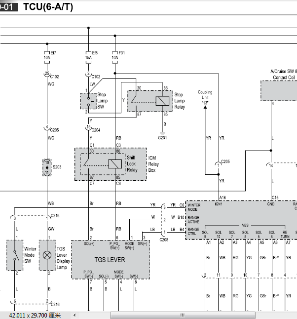
.尊敬的用户,欢迎你使用在线客服,你需要的资料在《畅易汽车维修技术支持平台》是有的,请直接登陆查询!查询方法:国外厂家 -> Ssangyong(双龙)-柯兰多(Korando)-2014-2015[ 线路图 ] - >电路 -> 底盘 ->3110-01DSI TCU (6A/T).2014-2015年Ssangyong(双龙)-柯兰多(Korando)变速箱电路图


用户 贵州 ***其他客服问题:
test:
  宝马528i,2014款后气囊悬挂打气泵维修手册.. 宝马528isz612014.03-N20B20A[WBASZ6107E** ]
  2012年宝马X1 排量1995ml波箱是几速的?需要多.. 华晨宝马宝马X12012.08-N46B20CC[LBVVZ1107C** ]
  换挡机构线路图和刹车灯控制图.. 奔驰S系列22001年-PZ.5[WDB2201651** ]
  空调控制线路图和发动机电脑针脚.. 中国。庆铃汽车股份有限公司制造宝典2013年2月16-4JB1-TCT[LWLTFS7D2D** ]
  正时安装图.. 上海通用五菱汽车五菱之光2008年4月-LAQ[LZWACAGA58** ]
  大众迈腾01543停车辅助蜂鸣器-h15S是什么意思.. 一汽大众汽车有限公司迈腾2009.04.14-BYI[LFV3A23C49** ]
以下是双龙相关车型的客服问题,希望对您有帮助
 需要一份全车电路图..双龙G20DF 2WD AT 5 2014.03 172 950 [KPTA0A186E**]
 这个车的电路图有么,空调的 1号..双龙D20T AWD AT 2011 671 950 [KPTA0B1S6B**]
 双龙柯兰多 发动机电路图..双龙柯兰多 13 1111 [111**]
 11款双龙柯兰多2.0发动机变速箱车身电脑诊断..双龙柯兰多 11 汽油2.0 [KPTA0B1S7B**]
 13年双龙雷斯特车身模块相关电路图..双龙雷斯特 2013 665 925 [KPTG0B1FXD**]
 帮忙查一下相关资料故障码翻译 13.08.50.41 13...双龙爱腾 2007 664 951 [KPTC0B1K37**]
 双龙帝维拉全车电路图 变速箱电路图..双龙帝维拉 15年 1.6 [KPT20A1VXF**]
 05双龙雷斯特车身电脑电路图或遥控接收电路..双龙雷斯特 05年 汽油3.2
 怎么没有双龙享御的维修手册..双龙享御 2008
 正时安装方法..双龙汽车公司REXTON RX320G 2007/04 162 995 [KPTGOB1917**]
 2005.双龙雷斯特发动机针脚定义..双龙雷斯特 2005 2005
 01年双龙主席变速箱电脑针脚图..双龙主席 01 123 [pttp1c17s1**]

Copyright @ 2009 www.car388.com All rights reserved. 蜀ICP备12014226号-2 增值电信增值业务许可证:川B2-20190647 服务电话:028-87038205 87039205 87020205 川公网安备 51010502010015号 公司地址:成都市龙泉驿区经开区南二路309号 鼎峰动力港 企业办公总部基地 12栋
2025-01-14.-.V25VHTML-2025-