[返回列表.]    [免费下载畅易手机版APP ]

用户 名车 **当前提问:2011年黄海旗胜V3 中控锁和遥控接收盒

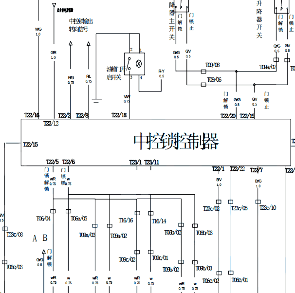
2011年黄海旗胜V3 中控锁和遥控接收盒电路图

.尊敬的用户,欢迎你使用在线客服,抱歉,该车资料里只有中控锁,没有遥控接收盒的资料,请下载附件,如有疑问,欢迎和我们联系!.黄海N3中控锁电路图

附件:31611574447112.rar

.尊敬的用户,欢迎您使用在线客服,您需要的资料已更新了全系统的电路图,请您直接进入畅易平台查询!查询方法:国内厂家 ->曙光汽车-旗胜V3-2011-2013[ 线路图 ].曙光汽车-旗胜V3-2011-2013[ 线路图 ]


用户 名车 ***其他客服问题:
test:
  君越倒车影像电路图 摄像头电路图.. 别克君越11-LAF[LSGGF53W3B** ]
  2017陆尊2013款全车网络电路图 和ABS电路图 你.. 别克陆尊17- LE5[LSGUD84X0G** ]
  帕萨特后备箱电路图.. 大众帕萨特2011-BNL[LSVE349F0B** ]
  10进口昂科雷发动机电脑电路图.. 别克昂科雷10-LLT[5GALVCED6A** ]
  12年速腾SC30号保险丝通向J29绝缘二极管 帮我.. 一汽速腾12-CFB[LFV2A11K7C** ]
  奇骏全车电路图 水泡车.. 尼桑奇骏2019-MR20[LGBM4AE40K** ]
以下是黄海相关车型的客服问题,希望对您有帮助
 四驱电路图..黄海大柴神 2012 CA4DC2-10E4 [LDDC8A504D**]
 黄海SUV保险盒说明..黄海SUV黄海SUV 09 4g63
 黄海旗胜电路图..黄海旗胜 2017 4G63S4T
 黄海汽车N2仪表电路图..黄海N2 2018 2.4
 黄海 大柴神空调电路图..黄海大柴神 2012 JJHFVBN [HRTHTRGGFN**]
 氧传感器电路图..黄海汽车黄海 2008 xc4g19 [ldd5105818**]
 14年黄海N1柴油发动机系统电路图,与通讯系..黄海NI 14 JE493ZLQ4CB [LDDC7A404E**]
 中控电路..黄海旗胜V3 2013 4G63S4M 2.0L [LDD82A022D**]
 有德尔福MT20的电脑板针脚图吗..黄海旗胜V3 2013 1 [1**]
 OBD 进系统的拓扑图..黄海旗胜F1 2011-08 4G63S4M [LDD02A02XB**]
 点火线圈光裂开..黄海越野车 210 4G69
 ABS..黄海H2S 2016 ED [F **]

Copyright @ 2009 www.car388.com All rights reserved. 蜀ICP备12014226号-2 增值电信增值业务许可证:川B2-20190647 服务电话:028-87038205 87039205 87020205 川公网安备 51010502010015号 公司地址:成都市龙泉驿区经开区南二路309号 鼎峰动力港 企业办公总部基地 12栋
2025-01-14.-.V25VHTML-2025-