[返回列表.]    [免费下载畅易手机版APP ]

用户 bmwoppo **当前提问:节气门,油门踏扳电路图发一下

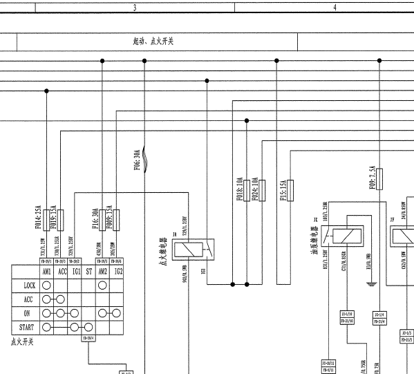
节气门,油门踏扳电路图发一下

.尊敬的用户,欢迎你使用在线客服,你的问题客服人员已为你处理完毕,请下载附件,如有疑问,欢迎和我们联系!.吉利海景发动机电路图

附件:5514891158666.rar


用户 bmwoppo ***其他客服问题:
test:
  格锐电路图 OBD接口 和车身控制模块整体电.. 现代格锐14-D4HB
  电路图找不到.. 斯柯达明锐2008-BYJ
  找不到.. 斯柯达明锐2008-BYJ
  现代格锐整车电路图.. 现代格锐14-D4HB
  发动机电脑版端子图和端子说明.. 吉利汽车 SC7(海景 2012- JLγ-4G15 [LB37824S0E** ]
  17长安cs75天窗电路图.. 长安17长安cs75天窗电路图17-不清楚
以下是1相关车型的客服问题,希望对您有帮助
 发动机汽缸盖拆装方法..宝马120i 09 - [WBAUD31059**]
 变速箱油更换的资料..凯迪拉克111 09 LP1 [LSGDE53T09**]
 右前座椅电路图,保险位置图注释图..11 1 1 [WP0CA2980D**]
 10款进口现代胜达智能钥匙电脑板线路图..进口现代胜达10款 2O10年 G4kE [KMHSH81B7A**]
 10年别克gl8电动中门维修手册..1111111111 1111 1111 [11111**]
 我问一下这个车智能钥匙打不开是什么问题..君越10 10 1111
 福克斯故障码定义..福特13 不知道 不知道 [不知道**]
 倒挡灯开关系统连接图..奔驰140 S280 1993 2.8
 09款的昊锐。大灯范围控制模块位置图给我发..111111111111111111 11111 11111 [11111**]
 12年捷豹XJ天窗电路图天窗卷帘电路图天窗模..1捷豹XJ 2012 11 [1**]
 13年H230车身电脑电路图..1H230 13 1 [1**]
 碳罐管路连接图..起亚1 1 1 [LJDFAC156A**]

Copyright @ 2009 www.car388.com All rights reserved. 蜀ICP备12014226号-2 增值电信增值业务许可证:川B2-20190647 服务电话:028-87038205 87039205 87020205 川公网安备 51010502010015号 公司地址:成都市龙泉驿区经开区南二路309号 鼎峰动力港 企业办公总部基地 12栋
2025-01-14.-.V25VHTML-2025-V18-11-5---2-