[返回列表.]    [免费下载畅易手机版APP ]

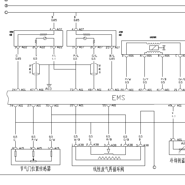
用户 车工 **当前提问:11年比亚迪L3全车系统电路图

11年比亚迪L3全车系统电路图

.尊敬的用户您好,该车的资料没有更新到平台上,需要从后台资料系统里一页一页提取,不是现成电子版资料,资料信息庞大,提取处理时间长,为了不影响对您的服务,请告知客服具体所需部分,客服好针对性的给您提取资料!客服暂时为您处理了发动机电路图参考,如需要请下载附件,给您带来不便,请谅解!.

附件:49831355142737.rar

已评价:5星好评

.尊敬的用户,欢迎你使用在线客服,你需要的资料在《畅易汽车维修技术支持平台》是有的,请直接登陆查询!查询方法:国内厂家 -> 比亚迪-L3-2010-2011[ 线路图 ].比亚迪-L3-2010-2011[ 线路图 ]


用户 车工 ***其他客服问题:
test:
  发动机电路图,平台上的这叫对不上.. 名爵MG3 Xross2013-1[LSJZ14E65D** ]
  江淮同悦A13发动机控制电路图.. 安徽江淮江淮2013年1月-HFC4GB1.3C[LJ12FKR29D** ]
  福瑞迪发动机控制系统电路图.. 东风悦达起亚福瑞迪11年05月-G4FC[LJDGAA22B0** ]
  整车控制器电路图.. 江淮 iEV 52015- JEETZ200XS2072JH02(电动机) [LJ1EFKRPXF** ]
  陆风X5PEPS电路资料额电子转向锁电路资料.. 江铃牌江铃陆风X516年4月-4A91T[LVXCAHBA1G** ]
  奇瑞风云2两厢全车电路图.. 奇瑞风云2 2015-SQR477F[LVVDB11B6F** ]
以下是比亚迪相关车型的客服问题,希望对您有帮助
 发动机资料?s..比亚迪G6 2011
 比亚迪 唐DM-i自适应巡航系统怎么校准?..比亚迪唐DM-i 2022 无 [无**]
 全车电路图 1.5手动档..比亚迪F3 2017-12 BYD473QE [LGXC16DF6H**]
 2014年比亚迪速锐原厂维修电路图..比亚迪速锐 2013年11月 BYD473QE [LGXC16CF7D**]
 正时资料,正时工具照片..比亚迪汽车秦PLUS DM-i1.5 无级 尊贵型55KM 2021 BYD472QA(1.5) [LGXC76C44M**]
 自动变速器5BT09维修手册..比亚迪F0 13 371 QA [LC0C24DA0D**]
 大灯的电路图和针脚定义..比亚迪汽车秦PLUS DM-i1.5 无级 尊贵型55KM 2021 BYD472QA(1.5) [LGXC76C40M**]
 车身控制模块..莲花L3 2010 1.6
 比亚迪K9电动大巴全车电路图..比亚迪K9 2016 000 [0000**]
 比亚迪秦驱动电机控制器与DC总成和分布式电..比亚迪比亚迪秦 2013 123456
 比亚迪唐 混动 正时图..比亚迪比亚迪 唐 2016年4月 487ZQA [LC0CD4C30G**]
 比亚迪F6电路图找不到..比亚迪F6 2009 BYD483QB [LGxc16DG79**]

Copyright @ 2009 www.car388.com All rights reserved. 蜀ICP备12014226号-2 增值电信增值业务许可证:川B2-20190647 服务电话:028-87038205 87039205 87020205 川公网安备 51010502010015号 公司地址:成都市龙泉驿区经开区南二路309号 鼎峰动力港 企业办公总部基地 12栋
2025-01-14.-.V25VHTML-2025-