[返回列表.]    [免费下载畅易手机版APP ]

用户 18070886 **当前提问:ABS电脑针脚图及电路图 网络拓扑图

ABS电脑针脚图及电路图 网络拓扑图

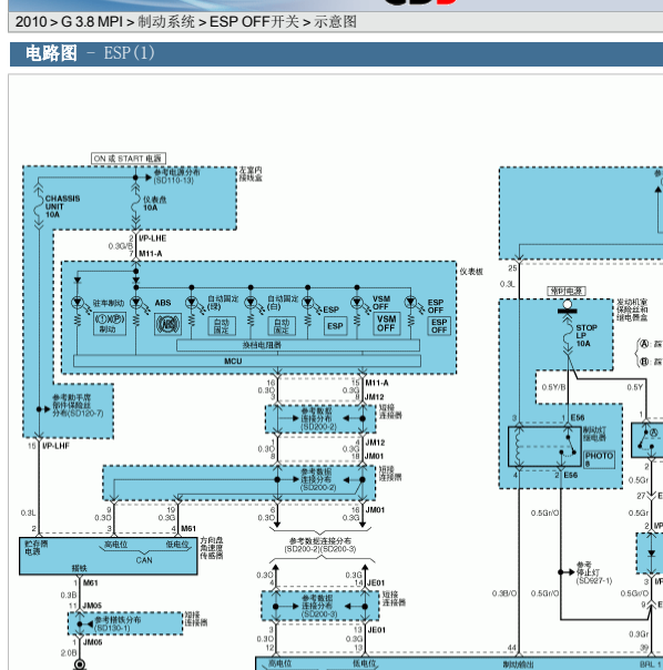
.尊敬的用户,欢迎你使用在线客服,抱歉没有ABS的针脚资料,客服处理了电路图参考,请下载附件,如有疑问,欢迎和我们联系!.2010年现代雅科仕ABS电路图

附件:28491609976737.zip


用户 18070886 ***其他客服问题:
test:
  空调电路图.. 雷诺梅甘娜20060623-F4R17[VF1LMREB86** ]
  发动机电脑针脚图及电路图.. 郑州日产锐骐201407-ZT22DE[LJNGTU2X8E** ]
  自动空调电路图及空调模块位置图.. 福特锐界2011.07-C[2FMDK4JC2B** ]
  OBD接口针脚图.. 东风日产玛驰201410-HR15[LGBN22E01E** ]
  转向角传感器电路图.. 丰田兰德酷路泽200304-2UZ-FE[JTEHT05J10** ]
  无钥匙进入模块针脚及电路图.. 重庆力帆迈威20170113-LF475Q-h[LCN64EE40H** ]
以下是现代相关车型的客服问题,希望对您有帮助
 15年现代名图,发动机舱保险丝盒配置和室内..现代名图 16 G4NB [1**]
 现代途胜 进口2.4 无钥匙模块电路图 和CAN通信..现代现代途胜 11 G4KE [KMHSH81BU7**]
 油泵线路,和13的对不上..现代朗动 2012 1 [LBEMDAHD6C**]
 冷却水管拆装..现代伊兰特 2007 1.6 [LBEXDAEB57**]
 副驾驶升降机不能工作找不到驾驶席升降机安..现代悦动悦目版现代悦动 2018 G4FG [LBE2DAFBXJ**]
 进口新胜达 车身控制模块 智能盒控制模块 安..现代新胜达 2012-02 G4KE 2.4L [KMHSH81B8C**]
 现代电动天窗初始化设置..现代SONATANF(御翔) 全部年份 全系列 [全系列**]
 点烟器保险丝位置..现代领动 2018 G4FD [LBEADAFC1J**]
 现代君爵XG 2003维修手册 ss..现代君爵XG 2003 0 [0**]
 08年现代维拉克斯ABS线路图..现代现代维拉克斯 08年 汽油3,8
 发动机电脑端子功能,以及发动机电路图,启..现代格越 13年12月 G6DG [KMHSM81D0E**]
 德尔福MT38电脑针脚图..现代现代 2012 123 [123**]

Copyright @ 2009 www.car388.com All rights reserved. 蜀ICP备12014226号-2 增值电信增值业务许可证:川B2-20190647 服务电话:028-87038205 87039205 87020205 川公网安备 51010502010015号 公司地址:成都市龙泉驿区经开区南二路309号 鼎峰动力港 企业办公总部基地 12栋
2025-01-14.-.V25VHTML-2025-