[返回列表.]    [免费下载畅易手机版APP ]

用户 惠成 **当前提问:A105模块上有两组CAN 分别到哪里 麻烦

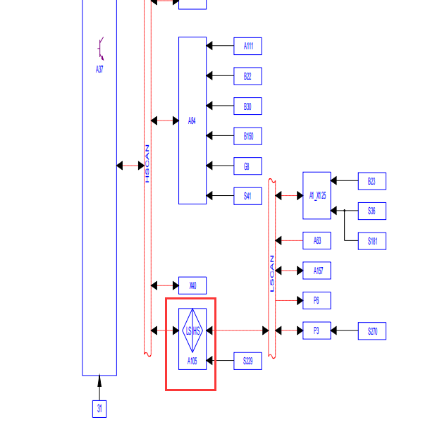
A105模块上有两组CAN 分别到哪里 麻烦详细些

.尊敬的用户,欢迎你使用在线客服,你的问题客服人员已为你处理完毕,请下载附件,如有疑问,欢迎和我们联系!2009年欧宝赛飞利A105模块电路图.

附件:24171627192044.zip


用户 惠成 ***其他客服问题:
  行李箱盖角度识别传感器.. 奔驰奔驰S3502004-112972 3.7L[401537** ]
  钥匙防盗盒位置图和电路图.. 东风悦达起亚福瑞迪2010-G4FC[LJDGAA229A** ]
  来一份前碰撞传感器位置图 前置传感器是碰.. 长城H22015-GW4G15B
  麻烦来一份后SAM N10-8电脑的针脚图 插头位置.. 奔驰ML35007-3.5[4JGBB86E66** ]
  12年三菱帕杰罗ABS泵电脑针脚图.. 三菱帕杰罗12-123[123** ]
  长城哈弗H1底盘电动助力转向电路图.. 哈弗牌哈弗H12015年9月-GW4G15[LGWED2A45F** ]
以下是欧宝相关车型的客服问题,希望对您有帮助
 刹车继电器电路图刹车保险丝位置..欧宝安德拉 11年 1 [WOLLB6E13B**]
 空调系统及发动机系统电路图和位置图..欧宝欧捷利 2003 Z12XE [W0L0HAF683**]
 06年欧宝 雅特 ABS原件位置图..欧宝 雅特 2006 Z 18 XER 1.8L [W0LAH24346**]
 保险丝继电器位置图..欧宝ASTRA GTC 07 Z18XER [WOLAH24187**]
 欧宝 安德拉的发动机电脑端子图..欧宝安德拉 2008 00000 [WOLLA63T09**]
 有没有99年欧宝威达锁头的电路图 03SS..欧宝威达欧宝威达 1999 00
 abs泵控制电路图..欧宝欧美佳 2003 z22xe [wolovbm693**]
 欧宝塞飞利06款一键启动相关电路图,要转向..欧宝塞飞利 06 z 18 xer [W0LAH94136**]
 欧宝雅特 can 和变速箱电脑电路图..欧宝雅特 2006 z18xe [W0LAH24316**]
 09年欧宝雅特前雾灯电路图..欧宝雅特 2009年 Z18XER [W0LAH82179**]
 电子转向助力系统的线路图..欧宝雅特 2008 Z 18 XER 1.8L [W0LAH82158**]
 全车网络拓扑图..欧宝ASTRA 2008 Z18XER [W0LAH82148**]

Copyright @ 2009 www.car388.com All rights reserved. 蜀ICP备12014226号-2 增值电信增值业务许可证:川B2-20190647 服务电话:028-87038205 87039205 87020205 川公网安备 51010502010015号 公司地址:成都市龙泉驿区经开区南二路309号 鼎峰动力港 企业办公总部基地 12栋
2025-05-28.-.V28**VHTML-2025-V18-11-5---2-