[返回列表.]    [免费下载畅易手机版APP ]

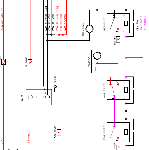
用户 13926269 **当前提问:水箱电子扇控制电路

水箱电子扇控制电路

.尊敬的用户,欢迎你使用在线客服,你的问题客服人员已为你处理完毕,请下载附件,如有疑问,欢迎和我们联系!.ISF2.8s41发动机风扇电路图

附件:34331630477847.rar


用户 13926269 ***其他客服问题:
test:
  11年丰田锐志5GR发动机电路图和电脑接口图.. 一汽丰田锐志11-5GR
  正时链条怎么对.. 广汽传祺GS42015年7月-4A13M1[LMGAA1C25F** ]
  车身电脑板,发动机电脑板(德尔福系统),.. 福田皮卡拓路者E519-4G69S4M[LVAV2MWB3K** ]
  麻烦提供一下N52B30BF动机控制电路电脑图.. 华晨宝马530i2006-N52B30BF[LBVNE79096** ]
  马自达6升降器玻璃控制电路图.. 一汽马自达M607年-2.3
  发动机舱保险盒明细.. 别克君威09年10月-LTD[LSGGA53Y8A** ]
以下是福田皮卡相关车型的客服问题,希望对您有帮助
 航天三菱发动机正时图 查不到呢..福田拓路者 2019 4K22D4M [LVAV2MWB7M**]
 拓路者14年康明斯发动机电路图..福田拓路者 14 康明斯 [wqeqweqweq**]
 福田拓路者驭途8的排气维修资料..福田拓路者 2019年 4F20TC [LVAV2MAB8K**]
 四驱电脑和气囊电脑分别在..福田拓路者 2019 4G69S4M 2.4L [LVAV2MWB6K**]
 一键启动电路图..福田拓路者 2019 1 [LVAV2MAB3K**]
 福田拓路者转向灯电路图..北气拓路者 2014 柴油 [绿啊**]
 福田皮卡拓陆者E5 分动器电路图..福田皮卡皮卡E5 17 4J28TC4
 福田拓路者纵向加速度传感器在那里..福田拓路者 18 11 [111**]
 四驱线路..福田拓路者S 2018 2.8T [LVAV2MBB9H**]
 仪表can线 线路图..北汽福田拓路者 2014 4G69S4N
 发动机电路图..福田皮卡萨普 2009.10.13 BJ493ZQ3 [LVAV2MBB39**]
 2015年的福田拓陆者ABS的针脚图的资料..福田拓路者 2015 BJ493ZLQ4 [LVAV2MBB1F**]

Copyright @ 2009 www.car388.com All rights reserved. 蜀ICP备12014226号-2 增值电信增值业务许可证:川B2-20190647 服务电话:028-87038205 87039205 87020205 川公网安备 51010502010015号 公司地址:成都市龙泉驿区经开区南二路309号 鼎峰动力港 企业办公总部基地 12栋
2025-01-14.-.V25VHTML-2025-