[返回列表.]    [免费下载畅易手机版APP ]

用户 13733640 **当前提问:电动空调系统电路图

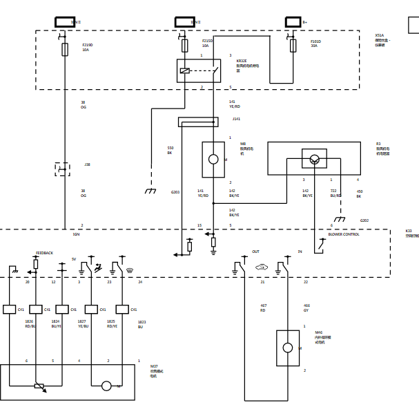
电动空调系统电路图

.尊敬的用户,欢迎你使用在线客服,你的问题客服人员已为你处理完毕,请下载附件,如有疑问,欢迎和我们联系!.2021年五菱MINI 空调电 路 图

附件:78431631398273.rar


用户 13733640 ***其他客服问题:
test:
  奔腾B50水温传感器线路图.. 一汽奔腾B502010-BWH[LFPH3ACC0A** ]
  保险丝盒电路图和仪表线路图.. 海马欢动2010-HM479Q A[LH16CKAF4A** ]
  RTM安装位置和电路图.. 福特蒙迪欧2017-CAF479WQ0[LVSHFFAL8H** ]
  发动机电脑67号角a插头的67号角是不是电源?.. 东风AX72018-10UF01 5G02[LGJE5FE08J** ]
  空调系统电路图.. 长城长城炮22年-GW4D20M[LGWCBF1A8N** ]
  发动机电路图或者电脑针脚图 最好是有电脑.. 东风小康C352019-DK15C[LVZKR31B6K** ]
以下是五菱相关车型的客服问题,希望对您有帮助
 仪表调表接线图..五菱五菱荣光单排 2016 L3C [LZWDAAGA8G**]
 发动机大修扭矩,主要是曲轴,汽缸盖的扭矩..五菱征程 2015.4 L3C [LZWACBGA9F**]
 水温传感器电路图..五菱荣光小卡 2016 L3C 1.5L [LZWCBAGA2G**]
 16年手动档宝骏560智能钥匙系统、遥控控制电..五菱宝骏560 2016 LJ479QNE2 [LZWADAGB7G**]
 这个EGR的线路图可有..五菱宏光五菱宏光 2011.10 1 [LZWADAGA9B**]
 2021年五菱宏光PULS LAB发动机电路图..五菱五菱宏光PULS 20201 lab
 07款五菱之光6400c电脑插头电路图..五菱之光lzw6400c 07年 lj465q_1Ae2 [lzwAcAGA67**]
 正时链..宝马:MINI迷你 2010.09 N16B16A [WMWZE3104B**]
 15年荣光空调电路图..五菱荣光 2015 1 [1**]
 一一年宝马迷你发电机皮带怎么更换,摩擦轮..宝马迷你迷你 2011 n16
 麻烦查一下汽油压力是多少..宝马迷你 2007 1 [WMWMF31048**]
 仪表电路..五菱五菱之光 2022 LSI 1.2L [LZWACAGA4N**]

Copyright @ 2009 www.car388.com All rights reserved. 蜀ICP备12014226号-2 增值电信增值业务许可证:川B2-20190647 服务电话:028-87038205 87039205 87020205 川公网安备 51010502010015号 公司地址:成都市龙泉驿区经开区南二路309号 鼎峰动力港 企业办公总部基地 12栋
2025-01-14.-.V25VHTML-2025-