[返回列表.]    [免费下载畅易手机版APP ]

用户 15534578 **当前提问:电路图

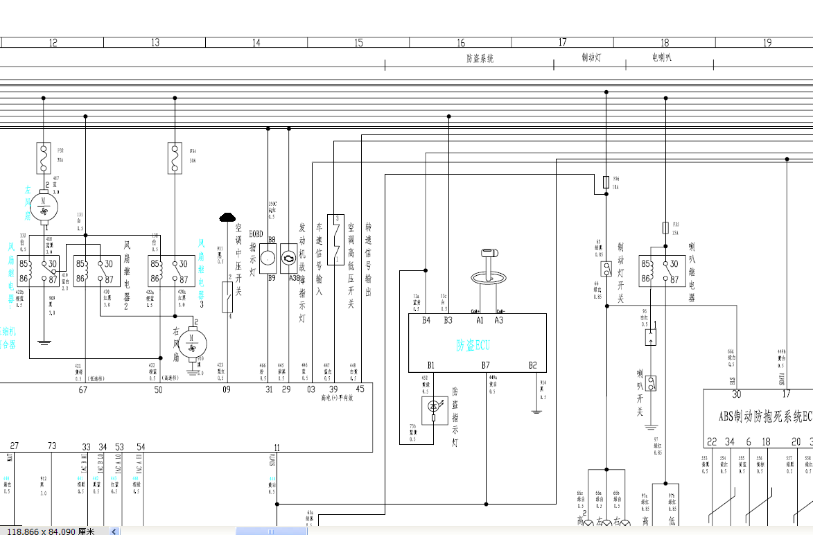
电路图

.尊敬的用户,欢迎你使用在线客服,你的问题客服人员已为你处理完毕,请下载附件,如有疑问,欢迎和我们联系!.2013年长城嘉誉V80刹车灯线路

附件:6516fdfs222.rar


用户 15534578 ***其他客服问题:
  空调电路图.. 长城C502012-
  自动空调和发动机电路图.. 华晨中华骏捷WAGON2009-
  BSI电路图.. 东风雪铁龙赛纳06-2。0
  全车电路图.. 大众辉腾2005-4.2[WVWZZZ3DZ5** ]
  看宝马电路图资料的菜单控件和图形控件.. 宝马宝马2003-1[1** ]
  空调电路图.. 一汽大众捷达2007-
以下是长城相关车型的客服问题,希望对您有帮助
 发动机手册..长城H9 2018 GW4D20T 2.0T [LGWFGGA64J**]
 全车线路图..长城风骏5 2013 柴油
 哈弗h3,车身控制模块电路图给一个..长城哈弗H3 2012 2.0l [LGWFF3A58C**]
 天窗线路图..长城H4 2018 1 [LGWEE5A50J**]
 13年 长城C50发动机电脑与防盗电脑线路03SS..长城C50 2013 11
 中控控制盒在什么位置..长城哈弗cuv 2011 GW2.5TCI [LGWEFCA59B**]
 点火开关的线路图..长城M2 2011 1.5
 长城风俊正时记号 装配图..长城牌CC1031PS41 2008.09 GW2.8TC-2 [LGWCBC1768**]
 CVT变速箱上插头定义..长城C30 2011 GW4G15 [LGWEE2K5XB**]
 长城哈弗H6 PT-J4插头在哪 ..长城H6 2019 GW4B15A [LGWEF5A50K**]
 防盗故障码B1006 ..长城皮卡风骏5 11年7月 4G69S4N 三菱汽油
 安全气囊控制电路图..长城哈佛H5 2011 4G63S4M

Copyright @ 2009 www.car388.com All rights reserved. 蜀ICP备12014226号-2 增值电信增值业务许可证:川B2-20190647 服务电话:028-87038205 87039205 87020205 川公网安备 51010502010015号 公司地址:成都市龙泉驿区经开区南二路309号 鼎峰动力港 企业办公总部基地 12栋
1.-.V25VHTML-2025-