[返回列表.]    [免费下载畅易手机版APP ]

用户 liuw65 **当前提问:16年斯巴鲁傲虎电动尾门开关线路图

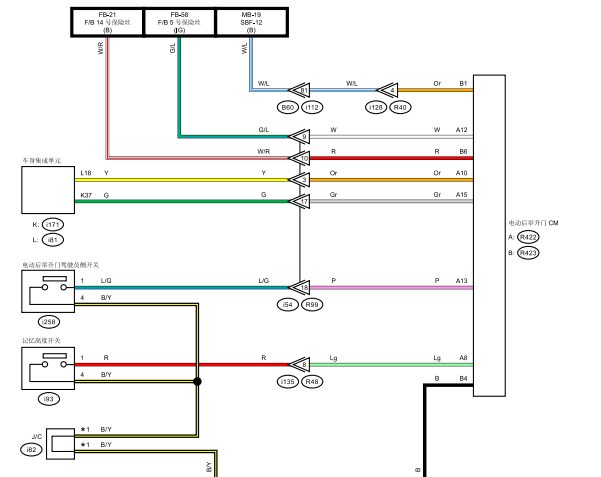
16年斯巴鲁傲虎电动尾门开关线路图

.尊敬的用户,欢迎你使用在线客服,你的问题客服人员已为你处理完毕,请下载附件,如有疑问,欢迎和我们联系!.16年斯巴鲁傲虎电动尾门线路图

附件:92171589623424.zip


用户 liuw65 ***其他客服问题:
test:
  17年沃尔沃S90线路图.. 沃尔沃S902017年-B4204T23[LVYPD10A6J** ]
  17年英菲尼迪Q50线路图.. 英菲尼迪Q50Q5017年05月-274A[LGBW1PE0XH** ]
  长安跨越新豹货车发动机电脑板线路图有几条.. 长安跨越新豹14-LJ469Q-1AE2[LSCAB33R1E** ]
  全车线路图,和汽车电脑位置图.. 传祺GS5传祺GS519年-4A15M1[LMWDC1G85J** ]
  宝马Z4 DSC动态稳定控制系统线路图和针脚图.. 宝马Z410年-N52B30A[WBALM5104B** ]
  网关线路图,网关节点位置图.. 奔驰S3502212011-276[WDD2211572** ]
以下是斯巴鲁相关车型的客服问题,希望对您有帮助
 斯巴鲁点火钥匙锁止电磁阀电路图..斯巴鲁VX 12 FB20 [JF1GP26D2C**]
 看看这个变速箱电路图..斯巴鲁汽车Outback [傲虎]2.5i 无级 雅尚运动版 2014 FB25(2.5) [JF1BR98D2E**]
 求斯巴鲁森林人发动机电路图 ..斯巴鲁森林人 2009 EJ20 [JF1SH52F3A**]
 变速箱线路图,保险丝,继电器位置..斯巴鲁森林人 2019 1 [JF1SK73C3K**]
 需要所有故障码分析表。和故障判断处理方法..斯巴鲁斯巴鲁 傲虎 2010年10月 EJ25 2.5排量 [JF1BR96D7B**]
 帮我查一下发动机,启动机线路图 ..斯巴鲁汽车Legacy [力狮]2.5i 自动 2004 EJ25(2.5) [JF1BL9LL54**]
 斯巴鲁XV大灯清洗定时模块针脚定义电路图..斯巴鲁XV 2012 FB20 [JF1GP26D4C**]
 斯巴鲁傲虎线路图..斯巴鲁傲虎 2014 FB25 [JF1BS21A5F**]
 斯巴鲁遥控钥匙编程设置..斯巴鲁LEGACY(力狮)(2003—2009年款) 全部年份 全系列 [全系列**]
 仪表电路图..斯巴鲁力狮 2009 EJ20 [JF1BM51D3A**]
 2014年斯巴鲁发动机电脑端子图或发动机启动..斯巴鲁森林人 2014 FB25 [JF1SJ93D5E**]
 斯巴鲁森林人空调线路图..斯巴鲁森林人 2010 EJ25 [JF1SH95F7A**]

Copyright @ 2009 www.car388.com All rights reserved. 蜀ICP备12014226号-2 增值电信增值业务许可证:川B2-20190647 服务电话:028-87038205 87039205 87020205 川公网安备 51010502010015号 公司地址:成都市龙泉驿区经开区南二路309号 鼎峰动力港 企业办公总部基地 12栋
2025-01-14.-.V25VHTML-2025-